搜索
汉力达液压金币充值官方微信群液压资料下载
楼主: seughx

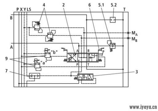
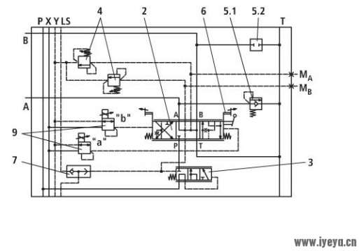
LUDV负载敏感阀/压力补偿器/阀前阀后补偿/节能

    [复制链接]
  • 打卡等级:无名新人
  • 打卡总天数:4
  • 打卡总奖励:13
发表于 2015-6-24 20:49:32 | 显示全部楼层
收获颇多!收藏!我是照着这种阀学习的。

回复

使用道具 举报

发表于 2015-12-23 21:18:25 | 显示全部楼层
M7是不是同时兼具两种系统
回复

使用道具 举报

发表于 2016-1-6 16:33:21 | 显示全部楼层
翟磊 发表于 2012-10-9 20:48
说的不错,有图更直接

LUDV操控性不如阀前的,能耗也是大于阀前
回复

使用道具 举报

  • 打卡等级:无名新人
  • 打卡总天数:1
  • 打卡总奖励:2
发表于 2016-1-14 11:57:20 | 显示全部楼层
你说的LUDV阀在泵的流量不饱和负载不同的情况下按比例分配流量是正确的,但你的分析是基于原理图是错误的。
回复

使用道具 举报

发表于 2016-3-15 17:01:47 | 显示全部楼层
烤肉拌饭1988 发表于 2012-11-22 19:35
这个话题好像是个永恒的话题,呵呵。负载敏感系统,最原始的用定差减压阀做压力补偿器的,后来带分流比的负 ...

您好,请教个问题。丹佛斯PVG多路阀,PVG32阀前补偿时在比例阀后有限压阀(二次溢流,用于限制各片阀工作压力的大小),PVG100阀后补偿时为什么没有 用于二次溢流的限压阀,可以分别设定每片阀的工作压力吗?
回复

使用道具 举报

发表于 2016-4-2 12:05:38 | 显示全部楼层
有图片吗?这样更直观
回复

使用道具 举报

  • 打卡等级:无名新人
  • 打卡总天数:4
  • 打卡总奖励:34
发表于 2018-3-23 16:12:19 | 显示全部楼层
非常清楚,如果再介绍下阀前补偿和阀后补偿各自的优缺点以及各自的使用场合(使用者怎么选择的问题)就更加完美了
回复

使用道具 举报

发表于 2018-7-14 06:54:30 | 显示全部楼层
说的不错,再配以图形就更直接了,点赞
回复

使用道具 举报

  • 打卡等级:无名新人
  • 打卡总天数:18
  • 打卡总奖励:30
发表于 2018-11-29 18:20:53 | 显示全部楼层
附件花费将统一踏入
回复

使用道具 举报

  • 打卡等级:即来则安
  • 打卡总天数:263
  • 打卡总奖励:650
发表于 2020-8-25 14:47:09 | 显示全部楼层
压力补偿分阀前补偿和阀后补偿
当系统流量足够是阀前补偿和阀后补偿区别不大
但当系统流量不足以满足负载需求是阀前补偿优先满足低负载端的流量
而阀后补偿任然是均分但是阀后补偿加工相对困难
回复

使用道具 举报

您需要登录后才可以回帖 登录 | 立即注册

本版积分规则