搜索
汉力达液压金币充值官方微信群液压资料下载
查看: 6441|回复: 7

AMESim操作窗口问题

[复制链接]
发表于 2013-3-4 19:01:37 | 显示全部楼层 |阅读模式
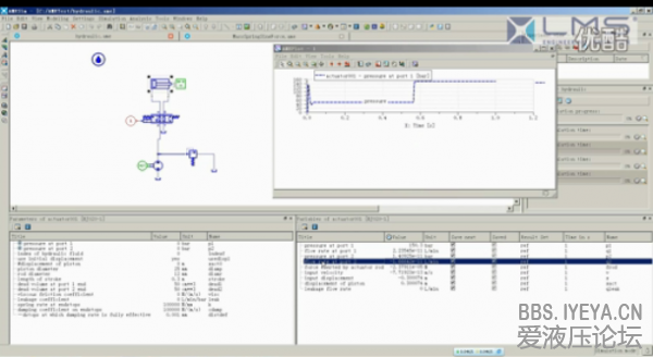
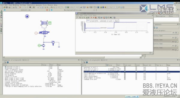
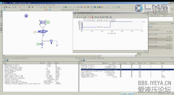
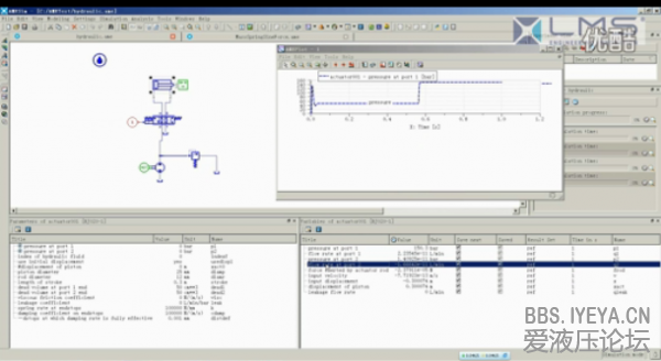
看教程在参数模式和运行模式下,有两个窗口十分方便,有变量列表,可以直接修改参数,而不用一个一个元件点开修改,请问怎么把那两个窗口(参数列表窗口和参数修改窗口,这两个窗口时对应的),我用的是AMESim10.0版本,初学者,希望大家指点~~~不知道我问明白了没有。
QQ截图20130304190041.png
 楼主| 发表于 2013-3-4 19:03:45 | 显示全部楼层
就是截图中下面两个窗口,但是视频教程不清楚,没办法看清窗口名字,有用过的劳驾指点~~~
回复

使用道具 举报

 楼主| 发表于 2013-3-4 19:03:43 | 显示全部楼层
就是截图中下面两个窗口,但是视频教程不清楚,没办法看清窗口名字,有用过的劳驾指点~~~
回复

使用道具 举报

  • 打卡等级:无名新人
  • 打卡总天数:2
  • 打卡总奖励:3
发表于 2013-3-4 19:32:06 | 显示全部楼层
view/contextual view
回复

使用道具 举报

 楼主| 发表于 2013-3-4 19:47:57 | 显示全部楼层
nlw3025224 发表于 2013-3-4 19:32
view/contextual view

哇~~~,十分感谢,解决了
回复

使用道具 举报

发表于 2013-3-5 10:24:44 | 显示全部楼层
y19492010 发表于 2013-3-4 19:47
哇~~~,十分感谢,解决了

恩,只要你不关闭一些小窗口,就能看见这些,很好用的。
回复

使用道具 举报

 楼主| 发表于 2013-3-8 11:21:11 | 显示全部楼层
y19492010 发表于 2013-3-4 19:47
哇~~~,十分感谢,解决了

我在仿真的时候弹出下面的窗口,请问这个窗口时什么意思?软件没安装正确?
amesim.png
回复

使用道具 举报

 楼主| 发表于 2013-3-10 15:41:46 | 显示全部楼层
又遇到个问题,请问下图帮助文件中的仿真结果怎么得到的,我只会得到横坐标为时间的曲线,demo中横坐标为压强的曲线是怎么得到的?我很初级,希望得到指导,谢谢!
dxf.png
回复

使用道具 举报

您需要登录后才可以回帖 登录 | 立即注册

本版积分规则