搜索
汉力达液压金币充值官方微信群液压资料下载
查看: 7961|回复: 12

蓄能器问题

  [复制链接]
  • 打卡等级:无名新人
  • 打卡总天数:1
  • 打卡总奖励:5
发表于 2013-3-6 13:42:28 | 显示全部楼层 |阅读模式
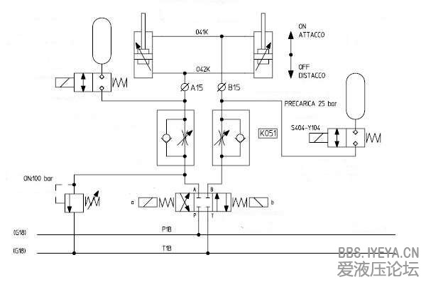
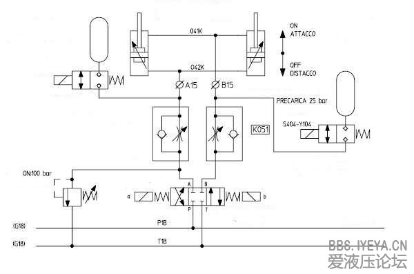
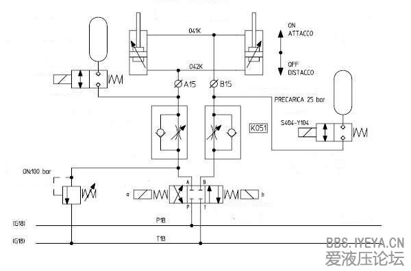
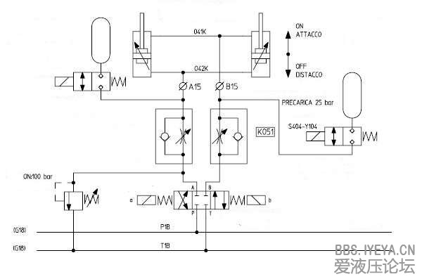
各位大神,如图,如果我把图里的两个蓄能器关掉不用,会有些什么样的后果,为什么?
Capture.JPG
发表于 2013-3-6 15:05:21 | 显示全部楼层
蓄能器是吸收油路冲击,保持系统压力稳定的。
回复

使用道具 举报

  • 打卡等级:无名新人
  • 打卡总天数:1
  • 打卡总奖励:5
 楼主| 发表于 2013-3-6 16:12:25 | 显示全部楼层
这点我也知道的,就是想知道把这东西关掉,能代来什么后果,有没有出现过类似的来说说
回复

使用道具 举报

发表于 2013-3-6 18:43:22 | 显示全部楼层
你关掉试试不就可以了吗,又不会出现什么大问题
回复

使用道具 举报

  • 打卡等级:无名新人
  • 打卡总天数:12
  • 打卡总奖励:81
发表于 2013-3-6 21:40:56 | 显示全部楼层
和你那些节流阀有关,
回复

使用道具 举报

  • 打卡等级:无名新人
  • 打卡总天数:2
  • 打卡总奖励:14
发表于 2013-3-6 23:30:11 | 显示全部楼层
个人认为,打开后类似动压反馈,不过阻尼系数不会大,参数选得好后,可以起到一定的吸收管路压力冲击作用。
回复

使用道具 举报

发表于 2013-3-6 23:42:10 | 显示全部楼层
个人认为,当你不做动作的时候,可以令到油缸有浮动的作用。
回复

使用道具 举报

  • 打卡等级:无名新人
  • 打卡总天数:22
  • 打卡总奖励:89
发表于 2013-3-31 22:43:24 | 显示全部楼层
如果把蓄能器关掉,由于换向阀会存在泄露,负载会慢慢往下降,此处,蓄能器的主要作用应该是补充系统液压油的泄露,使得油缸保持基本不动。
回复

使用道具 举报

  • 打卡等级:偶尔看看
  • 打卡总天数:144
  • 打卡总奖励:368
发表于 2013-3-31 22:50:04 | 显示全部楼层
油缸冲击程度加大,且不能保压
回复

使用道具 举报

  • 打卡等级:无名新人
  • 打卡总天数:5
  • 打卡总奖励:32
发表于 2013-4-5 15:28:21 | 显示全部楼层
从图上看控制两个蓄能器的两位两通阀电磁换向阀就是所谓的开关,失电截止,得电通。两个油缸是双向可调缓冲液压缸。看来这个系统对执行机构的定位和稳定有一定要求。想要关蓄能器,把电磁阀插头拔掉好了。至于影响因为不知道这个系统全过程电磁阀得电顺序,和所带的负载状况。所以只能说可能产生的后果为1.油缸运行不同步2.油缸保压时间短3.油缸运行过程中缓冲效果差,只有末端缓冲。令建议如涉及安全问题还是不要随意设置蓄能器控制。
回复

使用道具 举报

您需要登录后才可以回帖 登录 | 立即注册

本版积分规则