搜索
汉力达液压金币充值官方微信群液压资料下载
查看: 3254|回复: 1

有个关于油缸的问题请教大家

[复制链接]
发表于 2013-3-11 19:54:25 | 显示全部楼层 |阅读模式
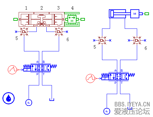
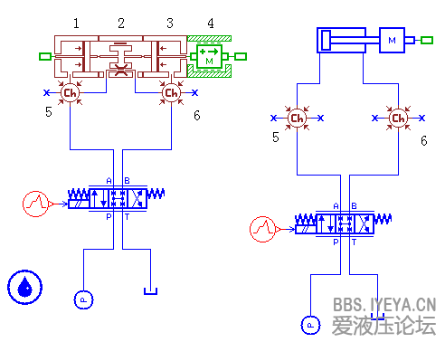
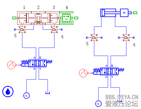
下图是demo中的用HCD搭建的有油缸,我用基本库中的油缸把搭建的那个换了,活塞直径,活塞杆直径,行程,都改了,可是仿真后的结果不一样。大家能耐心给我讲讲为什么不一样(什么导致的)?一直没开窍,问题有
1、Ch的那个液压腔到底怎么用?(推荐个教程也好)
2、油缸的左右死区在HCD模型中用什么体现?
3、用HCD搭建的油缸中有个活塞厚度和通关直径,在基本库中可以体现出来么?
问题有点多?希望大家指导一下,如果也是初学者,一起讨论。谢谢。
yougang.png

油缸左端口的流量

油缸左端口的流量

油缸左端口的压力

油缸左端口的压力
 楼主| 发表于 2013-3-12 08:55:20 | 显示全部楼层
昨天晚上才发现哪里不对了,在HCD模型里加个液压口就可以了。
回复

使用道具 举报

您需要登录后才可以回帖 登录 | 立即注册

本版积分规则