搜索
汉力达液压金币充值官方微信群液压资料下载
查看: 6843|回复: 7

M4多路阀

[复制链接]
  • 打卡等级:无名新人
  • 打卡总天数:1
  • 打卡总奖励:3
发表于 2013-3-26 22:08:44 | 显示全部楼层 |阅读模式
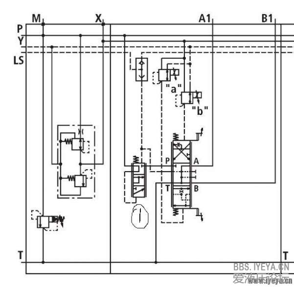
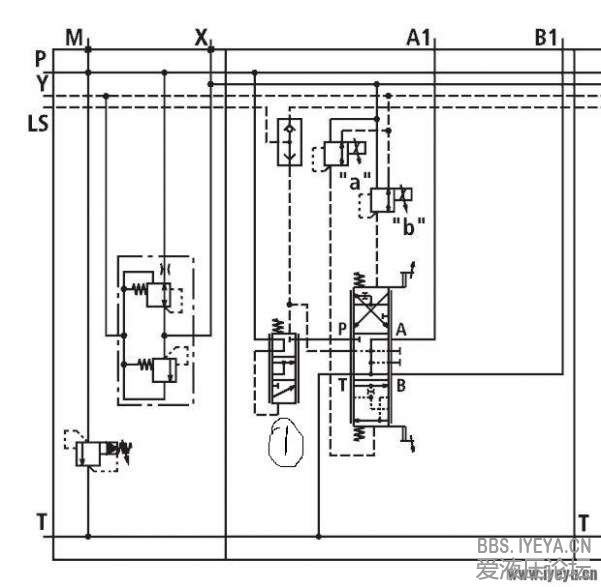
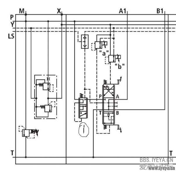
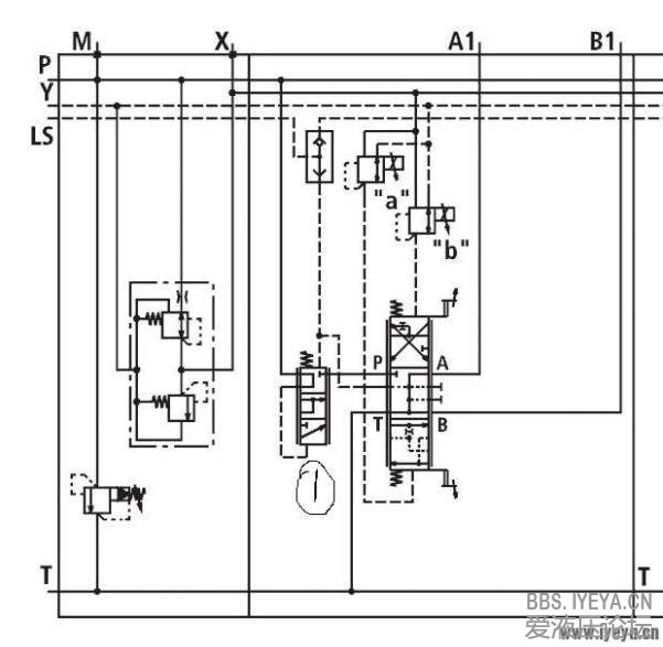
请大家讲解一下M4多路阀中压力补偿器的预设弹簧压力多少?(附图中1阀的弹簧开启压力)
11023908nn5ommkf995zfh.jpg
  • 打卡等级:无名新人
  • 打卡总天数:4
  • 打卡总奖励:4
发表于 2013-3-27 08:34:23 | 显示全部楼层
压力补偿器是通过前后压差来控制开口进行补偿的,个人认为没有固定的值,所以它为比例阀。压差大补偿大,无压差无补偿!
回复

使用道具 举报

  • 打卡等级:无名新人
  • 打卡总天数:1
  • 打卡总奖励:3
 楼主| 发表于 2013-3-31 22:20:41 来自手机 | 显示全部楼层
那原理图上画的弹簧是干什么的?

点评

这个事情你最好找产家, 一般我们设为 泵的压补-3bar 见仁见智  发表于 2013-4-4 09:51
回复

使用道具 举报

发表于 2013-4-27 19:33:59 | 显示全部楼层
应该有预紧力的,而且预紧力太大了对比例性有影响。
回复

使用道具 举报

  • 打卡等级:无名新人
  • 打卡总天数:1
  • 打卡总奖励:3
 楼主| 发表于 2013-4-27 21:37:52 | 显示全部楼层
zycy1987 发表于 2013-4-27 19:33
应该有预紧力的,而且预紧力太大了对比例性有影响。

具体多少有人知道吗?
回复

使用道具 举报

  • 打卡等级:即来则安
  • 打卡总天数:277
  • 打卡总奖励:1787
发表于 2013-10-30 20:58:41 | 显示全部楼层
应该是20bar左右,我们用过!
回复

使用道具 举报

  • 打卡等级:即来则安
  • 打卡总天数:248
  • 打卡总奖励:1114
发表于 2016-1-17 18:53:59 | 显示全部楼层
zjf8502 发表于 2013-10-30 20:58
应该是20bar左右,我们用过!

太高了,呵呵
这么高的压损,阀怎么工作呢?
回复

使用道具 举报

  • 打卡等级:偶尔看看
  • 打卡总天数:84
  • 打卡总奖励:233
发表于 2016-1-17 21:24:41 | 显示全部楼层
丹佛斯的 pvg是7 bar ,供参考
回复

使用道具 举报

您需要登录后才可以回帖 登录 | 立即注册

本版积分规则