搜索
汉力达液压金币充值官方微信群液压资料下载
查看: 5090|回复: 1

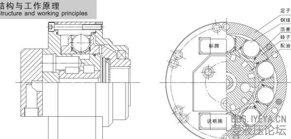
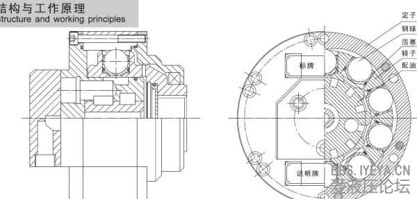
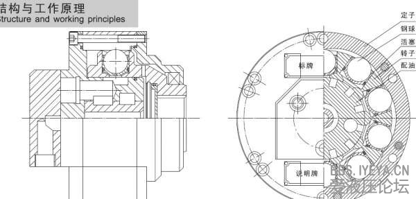
[样本] DELANBO动力QJM钢球马达产品样本

[复制链接]
  • 打卡等级:无名新人
  • 打卡总天数:4
  • 打卡总奖励:14
发表于 2013-3-28 10:55:35 | 显示全部楼层 |阅读模式
}MAHI6_%VS{IH[4H7%_~A4Y.jpg HG7O7R`T$[7[SV(]0B$XOQK.jpg RK]$[3DJA0ZIBS)Q$(RLK}D.jpg VQ2Q3IX%@M(N3ZF_7@~39JF.jpg
DELANBO动力QJM钢球马达.part1.rar (1.9 MB, 下载次数: 36, 售价: 5 金钱)

DELANBO动力QJM钢球马达.part2.rar (1.9 MB, 下载次数: 27, 售价: 5 金钱)

DELANBO动力QJM钢球马达.part3.rar (1.9 MB, 下载次数: 28, 售价: 5 金钱)

DELANBO动力QJM钢球马达.part4.rar (1.9 MB, 下载次数: 24, 售价: 5 金钱)

DELANBO动力QJM钢球马达.part5.rar (1.9 MB, 下载次数: 27, 售价: 5 金钱)

DELANBO动力QJM钢球马达.part6.rar (1.9 MB, 下载次数: 27, 售价: 5 金钱)

DELANBO动力QJM钢球马达.part7.rar (1.24 MB, 下载次数: 23, 售价: 5 金钱)

  • 打卡等级:常驻居民
  • 打卡总天数:528
  • 打卡总奖励:1198
发表于 2020-5-27 10:20:55 | 显示全部楼层
我们这用的多事齿轮马达,有空学习一下钢球马达
回复

使用道具 举报

您需要登录后才可以回帖 登录 | 立即注册

本版积分规则