设为首页
收藏本站
所有帖子
关于我们
联系我们
微信群
开启辅助访问
搜索
搜索
本版
用户
门户
Portal
资讯
液压资讯
观点
观点
产品
液压产品
技术
液压技术
合集
导读
Guide
下载
签到
金币
论坛
BBS
登录
立即注册
腾讯QQ
账号
自动登录
找回密码
密码
登录
立即注册
只需一步,快速开始
好友
动态
收藏
分享
帖子
日志
记录
相册
留言板
勋章
任务
道具
设置
退出
液压圈
»
论坛
›
液压元件
›
插装阀
›
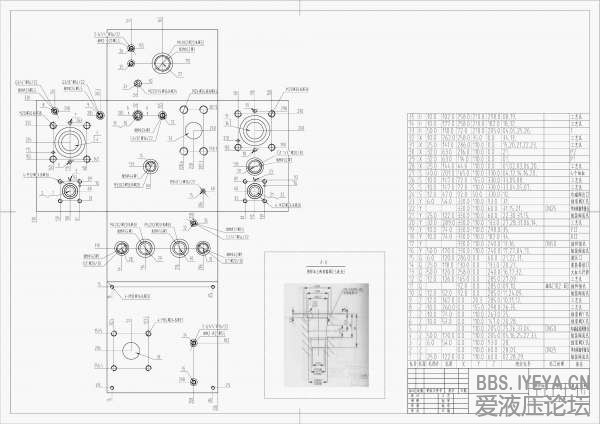
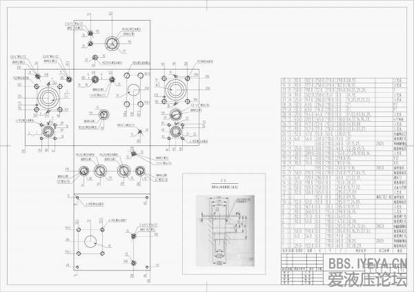
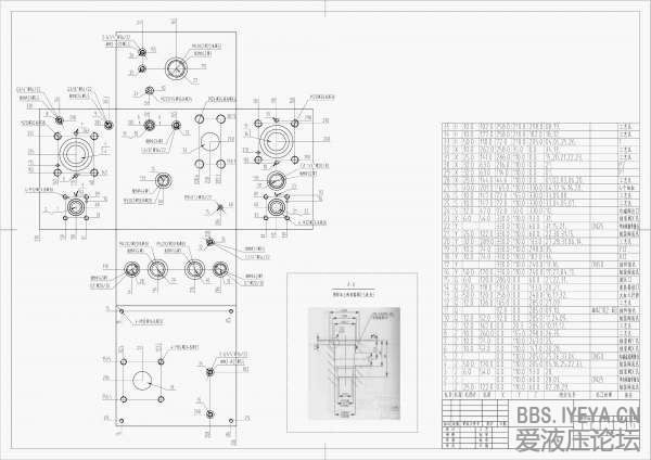
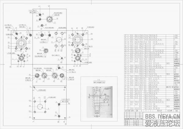
交流一下油路块的画法,这里是个展开图 ...
负载敏感资料下载
|
液压培训资料下载
|
液压样本下载
|
AMESim资料下载
|
力士乐资料下载
|
挖掘机资料下载
|
标准资料下载
|
多路阀资料下载
1
2
3
4
5
6
7
8
/ 8 页
下一页
返回列表
查看:
54701
|
回复:
72
交流一下油路块的画法,这里是个展开图
[复制链接]
cyxz
cyxz
当前离线
积分
488
注册时间
2013-3-31
最后登录
1970-1-1
IP卡
狗仔卡
打卡等级:偶尔看看
打卡总天数:144
打卡总奖励:368
发表于 2013-3-31 23:14:20
|
显示全部楼层
|
阅读模式
本帖最后由 cyxz 于 2013-4-1 01:06 编辑
交流一下油路块的画法,这里是个展开图
油路块
点评
雨飞
不容易理解
发表于 2013-6-12 19:10
评分
参与人数
3
金钱
+21
收起
理由
1648183658
+ 5
泛舟
+ 10
值得参考
zhangrongji85
+ 6
很给力!要是能上传PDF文件就好了,值得新手.
查看全部评分
相关帖子
.
阀块 阀组 油路块专业加工与设计有SUN海德福斯一级代理
.
供应SUN插装阀 集成阀组 逻辑阀 非标油路块
.
非标阀块设计加工、阀组与选型
回复
使用道具
举报
提升卡
置顶卡
变色卡
灰太狼♂
灰太狼♂
当前离线
积分
18
注册时间
2013-3-29
最后登录
1970-1-1
IP卡
狗仔卡
发表于 2013-4-1 09:50:44
|
显示全部楼层
好复杂啊,有点小看不懂啊!
回复
使用道具
举报
诚实可靠小郎君
诚实可靠小郎君
当前离线
积分
295
注册时间
2012-2-3
最后登录
1970-1-1
IP卡
狗仔卡
打卡等级:偶尔看看
打卡总天数:118
打卡总奖励:605
发表于 2013-4-1 14:54:46
|
显示全部楼层
附个三维图 会更好~
回复
使用道具
举报
四夕
四夕
当前离线
积分
80
注册时间
2012-12-30
最后登录
1970-1-1
IP卡
狗仔卡
打卡等级:无名新人
打卡总天数:2
打卡总奖励:10
发表于 2013-6-4 10:24:52
|
显示全部楼层
有三维图就比较直观,更清楚一点
回复
使用道具
举报
shouhuo99
shouhuo99
当前离线
积分
211
注册时间
2011-11-23
最后登录
1970-1-1
IP卡
狗仔卡
打卡等级:常驻居民
打卡总天数:312
打卡总奖励:533
发表于 2013-6-4 12:44:55
|
显示全部楼层
感觉这样标注明了清晰,很便于检查,谢谢
回复
使用道具
举报
sdr
sdr
当前离线
积分
506
注册时间
2012-5-9
最后登录
1970-1-1
IP卡
狗仔卡
打卡等级:以坛为家
打卡总天数:772
打卡总奖励:2750
发表于 2013-6-5 18:20:11
|
显示全部楼层
一目了然,很好。
回复
使用道具
举报
今夕何夕
今夕何夕
当前离线
积分
406
注册时间
2012-9-19
最后登录
1970-1-1
IP卡
狗仔卡
打卡等级:以坛为家
打卡总天数:872
打卡总奖励:2952
发表于 2013-6-8 16:27:50
|
显示全部楼层
漂亮,一目了然!
回复
使用道具
举报
tiida
tiida
当前离线
积分
14
注册时间
2011-2-23
最后登录
1970-1-1
IP卡
狗仔卡
发表于 2013-9-17 20:56:45
|
显示全部楼层
图纸很漂亮,想学习下三维的设计方法。
回复
使用道具
举报
小小天使
小小天使
当前离线
积分
109
注册时间
2011-12-28
最后登录
1970-1-1
IP卡
狗仔卡
发表于 2013-10-12 10:53:30
|
显示全部楼层
相当于把两个面展开了,按照上面的尺寸画不就是三维图了
回复
使用道具
举报
泛舟
泛舟
当前离线
积分
1786
注册时间
2009-10-15
最后登录
1970-1-1
IP卡
狗仔卡
打卡等级:无名新人
打卡总天数:14
打卡总奖励:14
发表于 2013-10-12 15:03:16
|
显示全部楼层
孔面字母代号H、Q、S未能理解,请问孔表是软件自动生成的吗?采用何种软件?
回复
使用道具
举报
下一页 »
1
2
3
4
5
6
7
8
/ 8 页
下一页
返回列表
高级模式
B
Color
Image
Link
Quote
Code
Smilies
您需要登录后才可以回帖
登录
|
立即注册
本版积分规则
发表回复
回帖后跳转到最后一页
浏览过的版块
资料下载
公告区
液压技术
供求信息
液压辅件
快速回复
返回顶部
返回列表