搜索
汉力达液压金币充值官方微信群液压资料下载
查看: 7506|回复: 12

大家一起研究一下这份图纸

[复制链接]
发表于 2013-4-2 09:18:54 | 显示全部楼层 |阅读模式
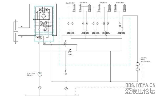
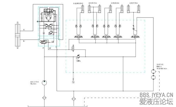
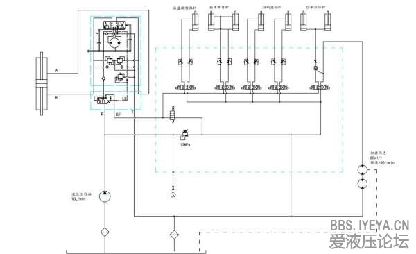
我是个菜鸟自己设计的一份简单的液压原理图

希望各位高手不吝赐教  我想做成产品 希望有合作的机会

1.液压动力单元怎么选配:如果需要长时间连续工作 需要选择什么样的液压和电机?

2.阀组怎么选配:我希望阀组占用空间小 整洁 油口最好在阀组上方 便于装配 我画的阀组是普通的电磁阀(还没学过插装阀的画法),如果有更好的方式请赐教 只要原理上满足即可

3.推荐几家国内外不错的摆线马达

帮助别人也是提升自己 大家互动一下吧
捕获.JPG
 楼主| 发表于 2013-4-2 09:21:15 | 显示全部楼层
坐等同行 讨论 {:7_281:}
回复

使用道具 举报

 楼主| 发表于 2013-4-2 09:48:28 | 显示全部楼层
太简单了  高手都觉得没劲啊
回复

使用道具 举报

发表于 2013-4-2 10:15:16 | 显示全部楼层
这是清扫车上的液压原理图吗?
回复

使用道具 举报

发表于 2013-4-2 10:18:14 | 显示全部楼层
在车上有做成集成阀块的,可以用插装阀直接装在阀块上,面积小,排列整齐,比用管路连接简单。
回复

使用道具 举报

发表于 2013-4-2 10:25:45 | 显示全部楼层
本帖最后由 清风慕竹 于 2013-4-2 10:56 编辑

泵可以选用一般的齿轮泵,马达可选用BM系列摆线液压马达,箱体举升缸需要用液压锁吗?
回复

使用道具 举报

  • 打卡等级:无名新人
  • 打卡总天数:2
  • 打卡总奖励:2
发表于 2013-4-2 11:26:06 | 显示全部楼层
这个是电动扫路车吗?
优先阀是优先转向的吧!整个阀组最好采用螺纹整体插装阀,结构紧奏!部管也方便!怀特的摆线马达用在扫路车上不错!
回复

使用道具 举报

  • 打卡等级:无名新人
  • 打卡总天数:6
  • 打卡总奖励:45
发表于 2013-4-2 17:18:29 | 显示全部楼层
一眼能看出这是啥东东,真是高手了,楼上的两位已经讲的很清楚了,如果楼主认为是清扫车,那就。。。
回复

使用道具 举报

 楼主| 发表于 2013-4-7 10:33:08 | 显示全部楼层
litao850915 发表于 2013-4-2 11:26
这个是电动扫路车吗?
优先阀是优先转向的吧!整个阀组最好采用螺纹整体插装阀,结构紧奏!部管也方便!怀 ...

谢谢回复!请问国内有没有做清扫车专用的动力单元的?我这款车的话需要长时间工作的  国内大多数都是短时工作的
回复

使用道具 举报

 楼主| 发表于 2013-4-7 10:36:09 | 显示全部楼层
清风慕竹 发表于 2013-4-2 10:15
这是清扫车上的液压原理图吗?

谢谢回复!      可以推荐几个好的液压工作站厂家吗?    请问国内有没有做清扫车专用的动力单元的?  我这款车的话需要长时间工作的   
回复

使用道具 举报

您需要登录后才可以回帖 登录 | 立即注册

本版积分规则