设为首页
收藏本站
所有帖子
关于我们
联系我们
微信群
开启辅助访问
搜索
搜索
本版
用户
门户
Portal
资讯
液压资讯
观点
观点
产品
液压产品
技术
液压技术
合集
导读
Guide
下载
签到
金币
论坛
BBS
登录
立即注册
腾讯QQ
账号
自动登录
找回密码
密码
登录
立即注册
只需一步,快速开始
我的
日志
记录
收藏
勋章
任务
道具
动态
设置
退出
液压圈
»
论坛
›
液压元件
›
液压泵马达
›
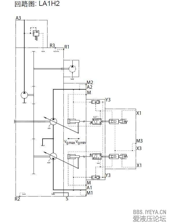
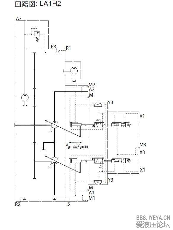
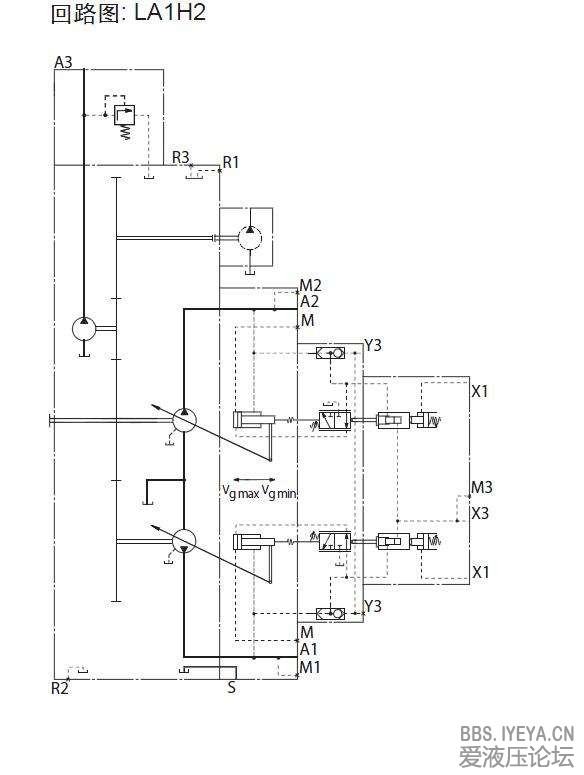
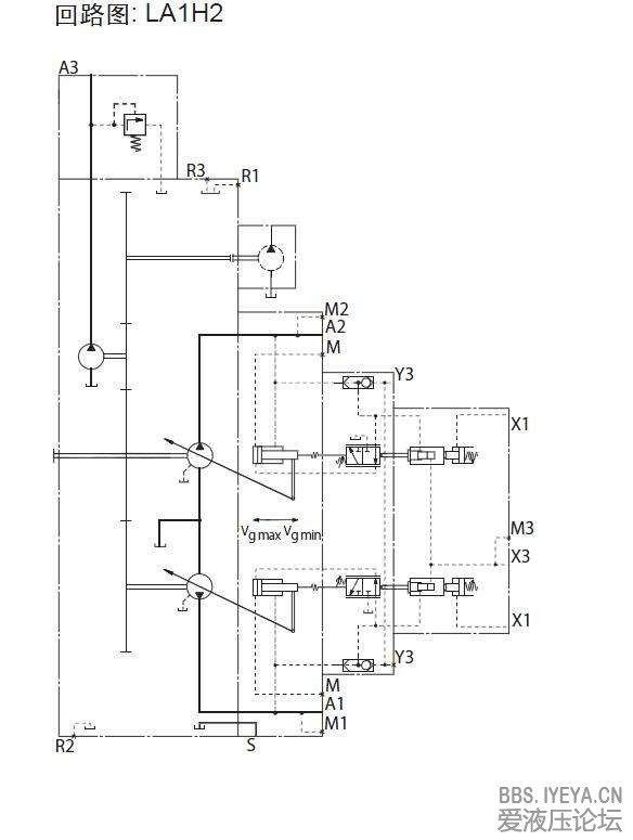
A8VO样本问题(4)
负载敏感资料下载
|
液压培训资料下载
|
液压样本下载
|
AMESim资料下载
|
力士乐资料下载
|
挖掘机资料下载
|
标准资料下载
|
多路阀资料下载
返回列表
查看:
3667
|
回复:
0
A8VO样本问题(4)
[复制链接]
菜鸟喝水
菜鸟喝水
当前离线
积分
310
注册时间
2012-5-5
最后登录
1970-1-1
IP卡
狗仔卡
发表于 2013-4-7 17:39:07
|
显示全部楼层
|
阅读模式
样本
相关帖子
.
力士乐A28VO130柱塞泵样本
.
2024KINGST样本-隔爆阀
.
海德福斯全套中文样本
.
英德诺曼过滤器样本 伊顿INTERNORMEN
.
SUN 插装阀样本
.
伊顿过渡接头样本
.
海特福斯中文样本
.
西德福高压胶管总成
.
华德液压泵A4VSO样本
.
力士乐样本RS15
回复
使用道具
举报
提升卡
置顶卡
变色卡
返回列表
高级模式
B
Color
Image
Link
Quote
Code
Smilies
您需要登录后才可以回帖
登录
|
立即注册
本版积分规则
发表回复
回帖后跳转到最后一页
浏览过的版块
液压技术
伺服控制
快速回复
返回顶部
返回列表