搜索
汉力达液压金币充值官方微信群液压资料下载
查看: 4913|回复: 3

请教液压专业人士(续)

[复制链接]
  • 打卡等级:无名新人
  • 打卡总天数:1
  • 打卡总奖励:9
发表于 2013-4-11 10:06:45 | 显示全部楼层 |阅读模式
本帖最后由 LK008 于 2013-4-11 10:08 编辑

@诚实可靠小郎君
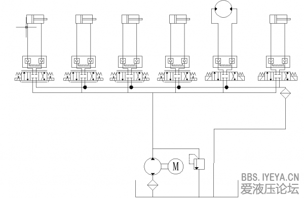
附件是我最开始设计的液压原理图。前面的四个液压缸要进行位置控制。之前选的电磁换向阀,控制精度不够,而伺服阀太贵了,所以我们选用了比例阀,后面的液压马达和液压缸只需控制方向,所以我们还是选用之前确定的电磁换向阀。
这个液压系统是工作在水下1500m的,所以我们将一个压力补偿器和油箱相连,是回油压力与外界的环境压力相同,这样避免环境压力对系统产生影响。将压力补偿器和阀箱相连的目的是为了避免使用耐压结构去设计阀箱。
这是我第一次设计液压系统,有些不合理不清楚的地方,麻烦你多多指教。非常感谢!
不知道为什么我的这个回复总是回复不了,只好发新帖@你了
也希望其它各位朋友帮忙看看,指点指点!
原始图.PNG
发表于 2013-4-21 09:36:29 | 显示全部楼层
可以再简单点。。。。
回复

使用道具 举报

发表于 2013-4-22 10:06:04 | 显示全部楼层
抛开环境因素的影响,因为环境因素我们都不太清楚。楼主的系统中的液压锁与中位配合的有问题。另外,液压马达与液压锁配合也不如平衡阀。另外同步油缸的大小不知,所以是否需要加蓄能器呢?同步系统是否加阀前补偿或者阀后补偿呢?另外同步精度是多少?如果精度不高是否可以采用同步分流马达来代替比例阀?情况说明的还是不够明显,很多因素不得而知,希望对楼主有帮助
回复

使用道具 举报

发表于 2014-1-3 13:10:23 | 显示全部楼层
液压锁一般配合Y型中位机能的换向阀
回复

使用道具 举报

您需要登录后才可以回帖 登录 | 立即注册

本版积分规则