搜索
汉力达液压金币充值官方微信群液压资料下载
查看: 7644|回复: 17

请教液压专业人士(三)

[复制链接]
  • 打卡等级:无名新人
  • 打卡总天数:1
  • 打卡总奖励:9
发表于 2013-4-11 11:21:27 | 显示全部楼层 |阅读模式
本帖最后由 LK008 于 2013-4-11 21:04 编辑

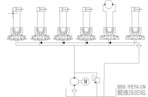
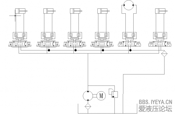
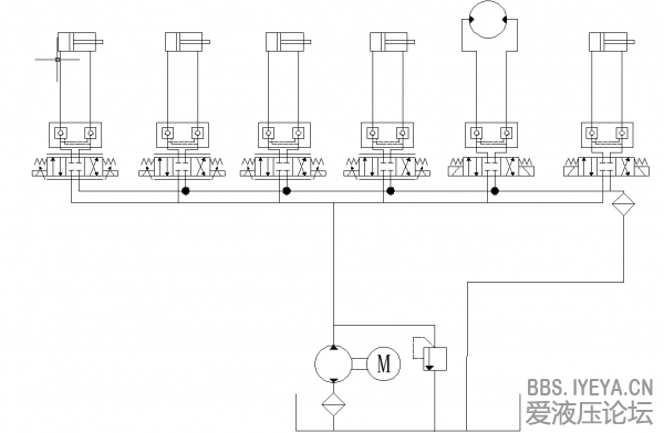
这个液压系统是在水下工作的,所以油管要承受很大的水压。液压系统工作的时候,有压力补偿器对系统进行补偿,可以抵消掉这部分压力,但液压系统不工作的时候,油管中没有充油,我应该怎么去抵消掉这部分压力呢?之前发帖有位朋友建议价格蓄能器,不知道各位大侠还有什么其它的方法吗?求指教!!
原始图.PNG

原始图.zip

50.71 KB, 下载次数: 6

售价: 5 金钱  [记录]  [购买]

  • 打卡等级:无名新人
  • 打卡总天数:3
  • 打卡总奖励:4
发表于 2013-4-11 16:16:06 | 显示全部楼层
如果不用蓄能器。能否考虑用钢管或是给胶管加个保护装置如钢套
回复

使用道具 举报

  • 打卡等级:无名新人
  • 打卡总天数:3
  • 打卡总奖励:4
发表于 2013-4-11 16:16:42 | 显示全部楼层
这是什么系统用的,可否介绍,长点见识?
回复

使用道具 举报

  • 打卡等级:以坛为家
  • 打卡总天数:863
  • 打卡总奖励:2943
发表于 2013-4-11 16:39:03 | 显示全部楼层
真奇怪,用液压锁中位还用O型机能,能及时锁得住么?还是只是起到锁紧作用,不要求锁紧速度?
回复

使用道具 举报

  • 打卡等级:无名新人
  • 打卡总天数:1
  • 打卡总奖励:1
发表于 2013-4-11 18:18:13 | 显示全部楼层
今夕何夕 发表于 2013-4-11 16:39
真奇怪,用液压锁中位还用O型机能,能及时锁得住么?还是只是起到锁紧作用,不要求锁紧速度?

说的对,不能用O型机能,而是用H型的或是Y型的
回复

使用道具 举报

  • 打卡等级:无名新人
  • 打卡总天数:1
  • 打卡总奖励:1
发表于 2013-4-11 18:23:30 | 显示全部楼层
714322890 发表于 2013-4-11 16:16
如果不用蓄能器。能否考虑用钢管或是给胶管加个保护装置如钢套

这个方案可以考虑
回复

使用道具 举报

  • 打卡等级:无名新人
  • 打卡总天数:1
  • 打卡总奖励:5
发表于 2013-4-11 20:17:13 | 显示全部楼层
为什么用O型阀?
回复

使用道具 举报

  • 打卡等级:无名新人
  • 打卡总天数:1
  • 打卡总奖励:5
发表于 2013-4-11 20:20:40 | 显示全部楼层
哎!这系统,用了O型阀就不说了嘛   还不加单向阀
回复

使用道具 举报

  • 打卡等级:无名新人
  • 打卡总天数:12
  • 打卡总奖励:81
发表于 2013-4-11 20:33:05 | 显示全部楼层
直接用硬管连接好了
回复

使用道具 举报

  • 打卡等级:无名新人
  • 打卡总天数:1
  • 打卡总奖励:9
 楼主| 发表于 2013-4-11 20:54:55 | 显示全部楼层
silent2010 发表于 2013-4-11 20:33
直接用硬管连接好了

液压系统工作时,液压缸会转动,这样不方便用硬管吧!
回复

使用道具 举报

您需要登录后才可以回帖 登录 | 立即注册

本版积分规则