搜索
汉力达液压金币充值官方微信群液压资料下载
查看: 4274|回复: 7

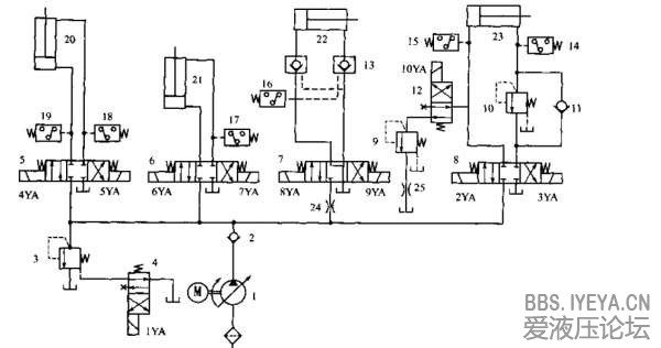
下面是原理图 请好心人帮我I选元件

[复制链接]
发表于 2013-4-26 16:21:22 | 显示全部楼层 |阅读模式
顶对液压缸
    最大负载: 100KN,  移动速度80mm/s
送对液压缸         
  最大负载: 60KN,移动速度100mm/s
锁紧液压缸         
  最大负载: 70KN,  移动速度80mm/s
伸套压装液压缸  
  最大负载: 550KN ,移动速度80mm/s
系统工作压力:20MPA

顶对液压缸

顶对液压缸
发表于 2013-4-26 20:19:13 | 显示全部楼层
就是照着这个原理图选元件吗?我可以帮你QQ250078646
回复

使用道具 举报

 楼主| 发表于 2013-4-27 08:30:58 | 显示全部楼层
feiyue 发表于 2013-4-26 20:19
就是照着这个原理图选元件吗?我可以帮你QQ250078646

大哥 已加好友。。。。
回复

使用道具 举报

  • 打卡等级:即来则安
  • 打卡总天数:225
  • 打卡总奖励:234
发表于 2013-4-27 10:48:03 | 显示全部楼层
缺流量及工况无法选型
回复

使用道具 举报

  • 打卡等级:无名新人
  • 打卡总天数:2
  • 打卡总奖励:4
发表于 2013-4-27 12:35:28 | 显示全部楼层
那个地方的?加我吧,我来帮你。QQ:1400264709
回复

使用道具 举报

 楼主| 发表于 2013-4-27 14:42:58 | 显示全部楼层
百万负翁 发表于 2013-4-27 10:48
缺流量及工况无法选型

是不是能先算出缸筒内径,在算出泵的流量?
回复

使用道具 举报

发表于 2013-4-27 16:25:27 | 显示全部楼层
可以的,通过负载和工作压力先算出油缸的面积,再通过面积和油缸移动速度算出流量,来确定泵的流量,再通过泵的流量和最大工作压力确定换向阀的开口大小,来选择换向阀。
回复

使用道具 举报

 楼主| 发表于 2013-4-27 19:44:27 | 显示全部楼层
追风的沙 发表于 2013-4-27 16:25
可以的,通过负载和工作压力先算出油缸的面积,再通过面积和油缸移动速度算出流量,来确定泵的流量,再通过 ...

谢谢 大哥。。。。。。。。。。
回复

使用道具 举报

您需要登录后才可以回帖 登录 | 立即注册

本版积分规则