搜索
汉力达液压金币充值官方微信群液压资料下载
查看: 5330|回复: 3

油缸移位

[复制链接]
发表于 2013-5-15 13:46:42 | 显示全部楼层 |阅读模式
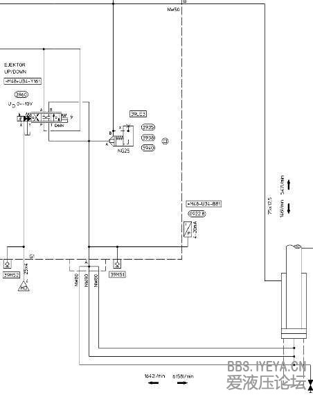
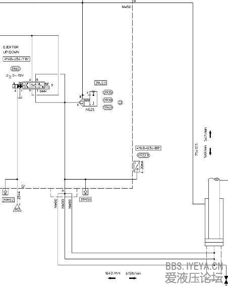
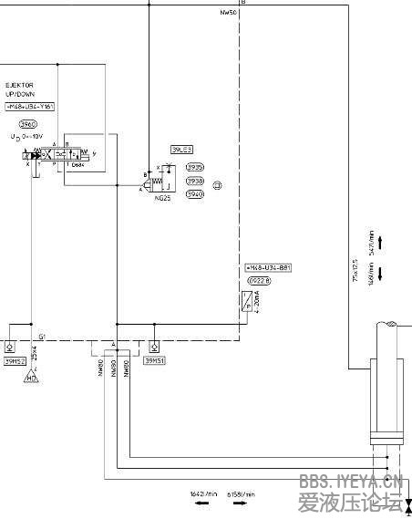
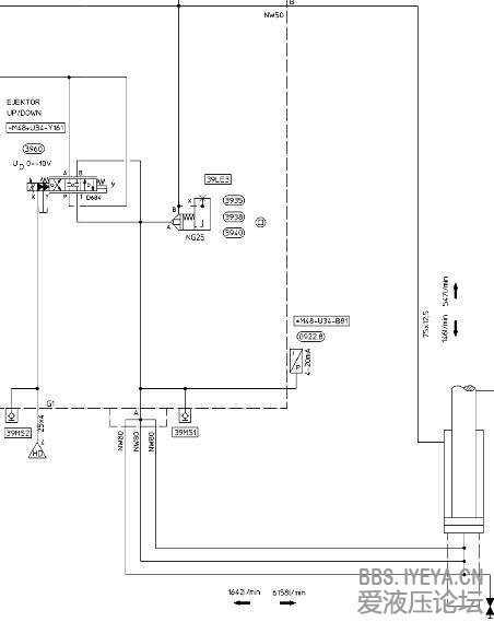
各位大侠,图示中是差动油缸,当系统运行时,油缸的活塞杆会自动上升。如何检测是油缸串油还是伺服阀的泄漏?图示中管路采用硬管连接,拆装比较麻烦。
油缸上升.JPG
  • 打卡等级:无名新人
  • 打卡总天数:3
  • 打卡总奖励:4
发表于 2013-5-15 14:40:10 | 显示全部楼层
要检查是否串油可以先将油缸移动至极端,然后打开油口,看是否有油泄出即可,即可判断
回复

使用道具 举报

  • 打卡等级:初来乍到
  • 打卡总天数:30
  • 打卡总奖励:74
发表于 2013-5-15 20:53:24 | 显示全部楼层
液压油不动时油泵有否起压?移动的速度是否没有超过1mm/s?若是以上问题的答案皆为肯定,则是比例方向阀阀芯泄漏引起。解决办法:
1. 液压缸不动时把油泵卸荷;
2. 给与合适电压让液压缸保持在底位:
3. 更改油路,增加先导止回阀。
回复

使用道具 举报

 楼主| 发表于 2013-5-17 10:14:49 | 显示全部楼层
游勇 发表于 2013-5-15 20:53
液压油不动时油泵有否起压?移动的速度是否没有超过1mm/s?若是以上问题的答案皆为肯定,则是比例方向阀阀芯 ...

没有超过1mm/s,担心情况恶化,影响生产,方法很值得试一试。
回复

使用道具 举报

您需要登录后才可以回帖 登录 | 立即注册

本版积分规则