设为首页
收藏本站
所有帖子
关于我们
联系我们
微信群
开启辅助访问
搜索
搜索
本版
用户
门户
Portal
资讯
液压资讯
观点
观点
产品
液压产品
技术
液压技术
合集
导读
Guide
下载
签到
金币
论坛
BBS
登录
立即注册
腾讯QQ
账号
自动登录
找回密码
密码
登录
立即注册
只需一步,快速开始
好友
动态
收藏
分享
帖子
日志
记录
相册
留言板
勋章
任务
道具
设置
退出
液压圈
»
论坛
›
液压元件
›
液压泵马达
›
EO泵与HD泵的控制方式探讨
负载敏感资料下载
|
液压培训资料下载
|
液压样本下载
|
AMESim资料下载
|
力士乐资料下载
|
挖掘机资料下载
|
标准资料下载
|
多路阀资料下载
返回列表
查看:
5179
|
回复:
2
EO泵与HD泵的控制方式探讨
[复制链接]
泛舟
泛舟
当前离线
积分
1786
注册时间
2009-10-15
最后登录
1970-1-1
IP卡
狗仔卡
打卡等级:无名新人
打卡总天数:14
打卡总奖励:14
发表于 2013-5-23 13:14:30
|
显示全部楼层
|
阅读模式
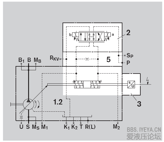
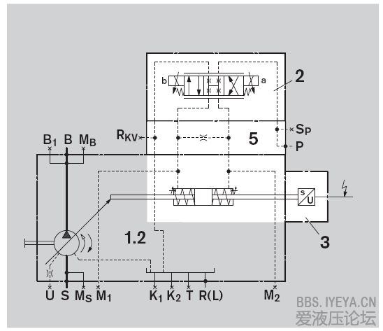
EO
泵
与HD泵都与输入的控制信号成正比。HD泵的排量与输入压力成正比,且泵的输入压力与弹簧力进行比较,当液压力与弹簧力相等时,泵的排量维持在设定值。EO泵的排量与输入压力成正比,泵的排量与输入的电信号成正比,泵的排量维持在设定值。我的疑惑时:EO泵与HD泵的排量维持在设定值时,控制泵的先导阀是在中位还是在控制位?
回复
使用道具
举报
提升卡
置顶卡
变色卡
粤压king
粤压king
当前离线
积分
54
注册时间
2013-2-19
最后登录
1970-1-1
IP卡
狗仔卡
打卡等级:无名新人
打卡总天数:1
打卡总奖励:5
发表于 2013-5-23 16:55:53
|
显示全部楼层
控制阀为比例阀,在中位和控制位不太好笼统地这样判断,应该要给出具体设定压力数值才能判断吧。因为比例阀的阀芯可以根据电信号的输入停留在任意位置,即使在中位和控制位的过渡区间,也是可能的。
回复
使用道具
举报
cn_young
cn_young
当前离线
积分
737
注册时间
2012-3-10
最后登录
1970-1-1
IP卡
狗仔卡
打卡等级:无名新人
打卡总天数:12
打卡总奖励:38
发表于 2019-12-15 09:52:35
|
显示全部楼层
我的理解是应该在控制位吧,否则回到初始排量了,
借楼问下,都是比例控制,HD相比EO的优势在哪?液压控制更可靠吗?
回复
使用道具
举报
返回列表
高级模式
B
Color
Image
Link
Quote
Code
Smilies
您需要登录后才可以回帖
登录
|
立即注册
本版积分规则
发表回复
回帖后跳转到最后一页
浏览过的版块
故障诊断
供求信息
液压电磁阀
伺服控制
液压技术
建议区
工程机械
企业名录
快速回复
返回顶部
返回列表