- 积分
- 574
- 注册时间
- 2011-4-7
- 最后登录
- 1970-1-1
- 打卡等级:即来则安
- 打卡总天数:206
- 打卡总奖励:631
|

楼主 |
发表于 2013-5-24 08:05:29
|
显示全部楼层
我液压圈1 发表于 2013-5-23 22:41 
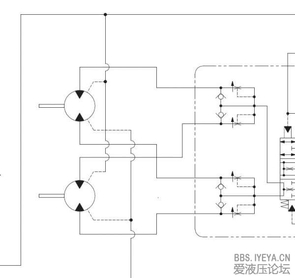
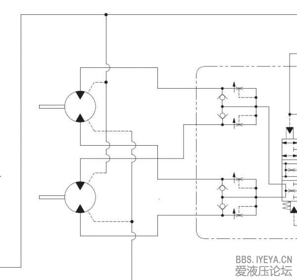
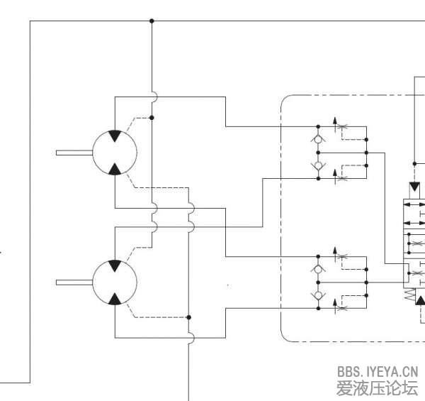
你这个阀是液压先导的,用先导油控制,马达上的虚线把各个元件集成在一起,组成集成块.
谢谢回复。
我的意思是这个换向阀下位是正常使用的状态,那么它是如何获得中位以及上位功能的?上边的控制油口接通后,获得的是上位还是中位功能?
另外马达一个是泄漏口,另一个的作用就只是串联成一个块?不是冲洗或者补油之类的作用吗? |
|