搜索
汉力达液压金币充值官方微信群液压资料下载
查看: 4352|回复: 7

求大神帮我建个电磁先导阀模型?5555555……

[复制链接]
发表于 2013-6-5 15:56:33 | 显示全部楼层 |阅读模式
毕业设计的课题,模型建好了,倒是总是有错误!各种急呀!
原始数据与技术要求:
电磁阀工作压力:0.2~3MPa;电磁阀最大额定流量:2.8L/min;允许换向时间:≤50ms;电磁铁电压:24V直流电;液压油的型号:40w-cd
哪位大声行行好,帮个忙,揪心呀!!拜谢先

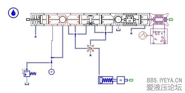
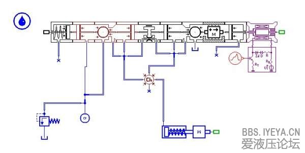
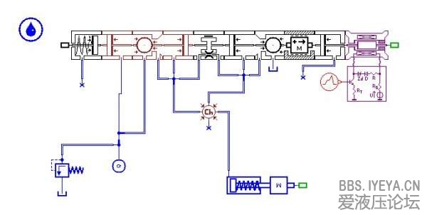
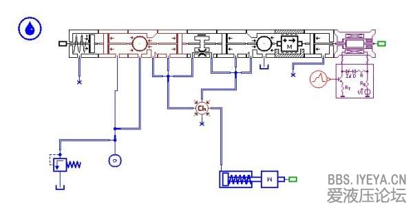
结构及模型

结构及模型
发表于 2013-6-6 08:26:01 | 显示全部楼层
自己动手,丰衣足食
回复

使用道具 举报

发表于 2013-6-6 09:03:48 | 显示全部楼层
自己动手,丰衣足食
回复

使用道具 举报

 楼主| 发表于 2013-6-6 10:39:43 | 显示全部楼层
有道理………………………………………………
回复

使用道具 举报

 楼主| 发表于 2013-6-6 14:55:01 | 显示全部楼层
请教大神,为神马我建的这个模型运行不了
QQ截图20130606145317.jpg
回复

使用道具 举报

  • 打卡等级:无名新人
  • 打卡总天数:1
  • 打卡总奖励:4
发表于 2013-6-6 15:26:55 | 显示全部楼层
你这是个什么阀啊,为什么要把弹簧腔堵死,结构图上还有个泄油口呢,你这个模型能动作就怪了。
回复

使用道具 举报

 楼主| 发表于 2013-6-6 16:10:48 | 显示全部楼层
kauuka 发表于 2013-6-6 15:26
你这是个什么阀啊,为什么要把弹簧腔堵死,结构图上还有个泄油口呢,你这个模型能动作就怪了。

我这个是电磁球阀,我参考了其他的图弄的,运行不了啊,左边的是进液口,
回复

使用道具 举报

 楼主| 发表于 2013-6-6 16:13:38 | 显示全部楼层
kauuka 发表于 2013-6-6 15:26
你这是个什么阀啊,为什么要把弹簧腔堵死,结构图上还有个泄油口呢,你这个模型能动作就怪了。

先导电磁球阀呀,左边的是进油口,我参考其他图弄的,
回复

使用道具 举报

您需要登录后才可以回帖 登录 | 立即注册

本版积分规则