搜索
汉力达液压金币充值官方微信群液压资料下载
查看: 9041|回复: 6

请问一下负载敏感+恒功率+压力切断的变量泵,如果LS口直接接出口,会有什么效果?

[复制链接]
发表于 2013-6-21 12:26:06 | 显示全部楼层 |阅读模式
请问一下负载敏感+恒功率+压力切断的变量,如果LS口直接接P口,后面接手动换向阀组,再接多个执行器,这样的话,虽然不是负载敏感系统,能实现泵的出口流量随着阀口开口度而变么?压力是如何变化?
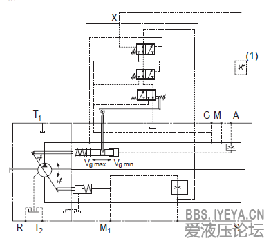
发表于 2013-6-21 15:40:33 | 显示全部楼层
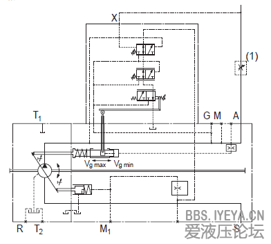
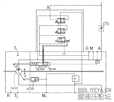
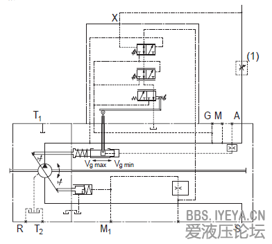
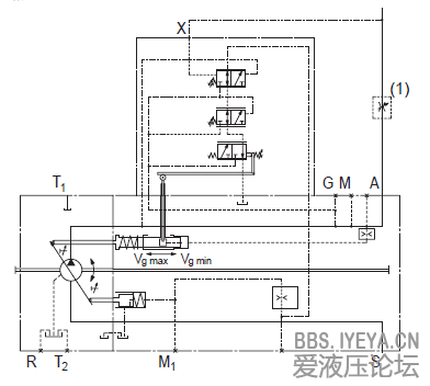
传张原理图出来看看。
回复

使用道具 举报

  • 打卡等级:无名新人
  • 打卡总天数:4
  • 打卡总奖励:4
发表于 2013-6-21 15:53:11 | 显示全部楼层
这个问题没实际含义。
LS口接P口最直接的效果是:
即使改变阀口开度,泵的流量依然不会变化、。
压力依然取决负载的。
回复

使用道具 举报

  • 打卡等级:无名新人
  • 打卡总天数:1
  • 打卡总奖励:1
发表于 2013-6-21 20:54:27 | 显示全部楼层
个人理解:X口接P口,在负载压力小于功率阀起调压力时是恒压阶段,压力值为功率阀起调压力;当负载压力大于功率阀起调压力时,处于恒功率阶段。流量跟阀口开度无关,取决于负载压力

A11LRDS

A11LRDS
回复

使用道具 举报

发表于 2013-6-23 12:55:29 | 显示全部楼层
实现不了。应该是能实现节流调速,此时泵是恒功率起作用,但是动作应该是轻负载的先动,多余的流量溢流。能量损耗较大。个人见解~~~
回复

使用道具 举报

发表于 2013-6-23 13:01:17 | 显示全部楼层
烤肉拌饭1988 发表于 2013-6-21 20:54
个人理解:X口接P口,在负载压力小于功率阀起调压力时是恒压阶段,压力值为功率阀起调压力;当负载压力大于 ...

我觉得泵的流量不能通过负载敏感来调节。恒功率调节阶段,流量与压力有关,负载压力一定的时候泵的输出流量是一定的,如果多路阀的开口度发生变化,通过节流调速,多余的流量估计会溢流。
回复

使用道具 举报

  • 打卡等级:无名新人
  • 打卡总天数:1
  • 打卡总奖励:1
发表于 2013-6-23 14:02:32 | 显示全部楼层
linwowotou 发表于 2013-6-23 13:01
我觉得泵的流量不能通过负载敏感来调节。恒功率调节阶段,流量与压力有关,负载压力一定的时候泵的输出流 ...

溢流时系统压力达到溢流阀设定压力,正常情况阀口开度变小的话多余流量会使泵出口压力升高,恒功率调节会使泵的排量减小
回复

使用道具 举报

您需要登录后才可以回帖 登录 | 立即注册

本版积分规则