搜索
汉力达液压金币充值官方微信群液压资料下载
查看: 4403|回复: 3

M7压力补偿问题

[复制链接]
  • 打卡等级:初来乍到
  • 打卡总天数:46
  • 打卡总奖励:140
发表于 2013-6-21 20:01:28 | 显示全部楼层 |阅读模式
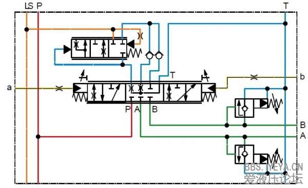
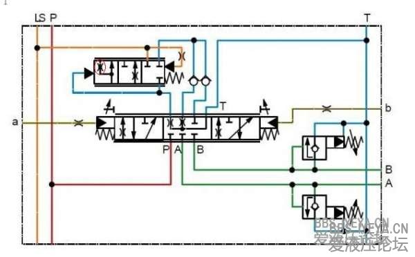
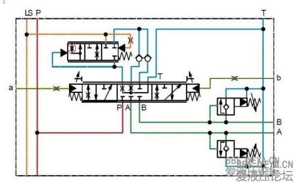
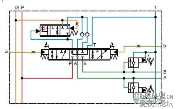
M7压力补偿阀进出口压力差是哪两个力压的差值,如图原理我理解,LS反馈到,泵给出最大压力大于系统最大压力压差p ,这个P是跟泵内的流量控制DFR流量控制阀匹配的,但是这个压差P是不是也正好等于压力补偿器的弹簧力呢?



节流阀出口压力为什么会相等的??迷糊了,,真诚求教

1

1

2

2
  • 打卡等级:无名新人
  • 打卡总天数:4
  • 打卡总奖励:4
发表于 2013-6-21 21:26:39 | 显示全部楼层
压差值理论上就可直接理解为流量阀的弹簧值。
节流阀前后压差相等的前提是有补偿阀。。
补偿阀保证节流前后压差相等。
这是基本的理论。
楼主可看看二通及三通流量阀。即明白!
回复

使用道具 举报

  • 打卡等级:无名新人
  • 打卡总天数:1
  • 打卡总奖励:3
发表于 2013-6-21 22:43:02 | 显示全部楼层
heripeng 发表于 2013-6-21 21:26
压差值理论上就可直接理解为流量阀的弹簧值。
节流阀前后压差相等的前提是有补偿阀。。
补偿阀保证节流前 ...

液压油是经过这个节流孔使进出口的压差恒定,使压力补偿器保持一个平衡的状态吗??
3}%6HM3AKFH5VMOB[3PCIL4.jpg
回复

使用道具 举报

  • 打卡等级:无名新人
  • 打卡总天数:4
  • 打卡总奖励:4
发表于 2013-6-22 08:29:36 | 显示全部楼层
那是压力补偿阀。。
节流口相当于上图中的比例换向阀。。。
回复

使用道具 举报

您需要登录后才可以回帖 登录 | 立即注册

本版积分规则