搜索
汉力达液压金币充值官方微信群液压资料下载
查看: 6238|回复: 6

回油管道通径如何确定??

[复制链接]
发表于 2013-6-24 21:43:20 | 显示全部楼层 |阅读模式
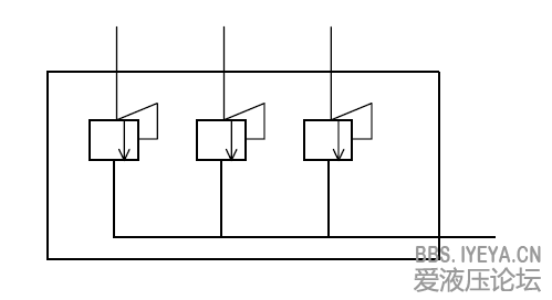
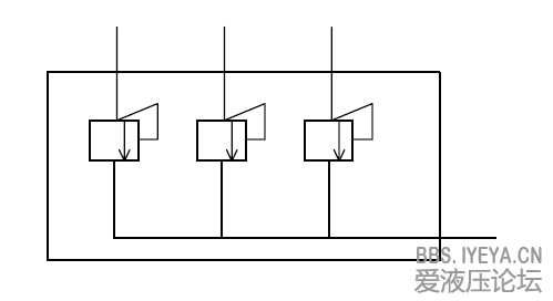
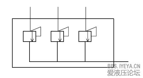
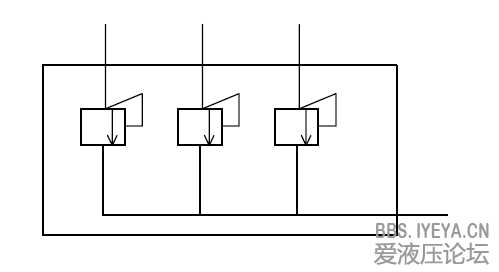
插装式溢流阀的入口为10通径,三个溢流阀并联分别进油,三个溢流阀的T口汇合一起回油,那么回油通道的通径如何确定呢??
QQ截图20130624214051.png

  • 打卡等级:无名新人
  • 打卡总天数:13
  • 打卡总奖励:13
发表于 2013-6-25 08:05:47 | 显示全部楼层
考虑所有溢流量,计算出管道
回复

使用道具 举报

  • 打卡等级:常驻居民
  • 打卡总天数:312
  • 打卡总奖励:533
发表于 2013-6-25 12:45:19 | 显示全部楼层
根据溢流流量总和和回油速度推荐(2~3m/s)进行估算,然后选择管径
回复

使用道具 举报

发表于 2013-6-25 13:54:01 | 显示全部楼层
需要看最大溢流量
回复

使用道具 举报

发表于 2013-6-25 20:22:11 | 显示全部楼层
赞成三楼回答,根据流速和流量确定
回复

使用道具 举报

 楼主| 发表于 2013-6-26 22:43:40 | 显示全部楼层
shouhuo99 发表于 2013-6-25 12:45
根据溢流流量总和和回油速度推荐(2~3m/s)进行估算,然后选择管径

我觉得你说得蛮有道理,再进一步问一下,这个流速2-3m/s是一般的经验回油流速值么,溢流阀的样本上不会给出这个回油速度值吧。
回复

使用道具 举报

  • 打卡等级:无名新人
  • 打卡总天数:3
  • 打卡总奖励:11
发表于 2013-6-27 06:18:27 | 显示全部楼层
按照泵的最大排量为溢流流量,再根据经验公式2-3
m/s,进行计算得出的通径,就是回油口的通径
回复

使用道具 举报

您需要登录后才可以回帖 登录 | 立即注册

本版积分规则