设为首页
收藏本站
所有帖子
关于我们
联系我们
微信群
开启辅助访问
搜索
搜索
本版
用户
门户
Portal
资讯
液压资讯
观点
观点
产品
液压产品
技术
液压技术
合集
导读
Guide
下载
签到
金币
论坛
BBS
登录
立即注册
腾讯QQ
账号
自动登录
找回密码
密码
登录
立即注册
只需一步,快速开始
好友
动态
收藏
分享
帖子
日志
记录
相册
留言板
勋章
任务
道具
设置
退出
液压圈
»
论坛
›
液压系统
›
液压技术
›
日本进口AMADA 数控冲床 线性阀坏了 请问何如改国产配 ...
负载敏感资料下载
|
液压培训资料下载
|
液压样本下载
|
AMESim资料下载
|
力士乐资料下载
|
挖掘机资料下载
|
标准资料下载
|
多路阀资料下载
返回列表
查看:
4996
|
回复:
3
日本进口AMADA 数控冲床 线性阀坏了 请问何如改国产配件
[复制链接]
xuyizheng
xuyizheng
当前离线
积分
15
注册时间
2011-3-9
最后登录
1970-1-1
IP卡
狗仔卡
发表于 2013-6-27 09:50:09
|
显示全部楼层
|
阅读模式
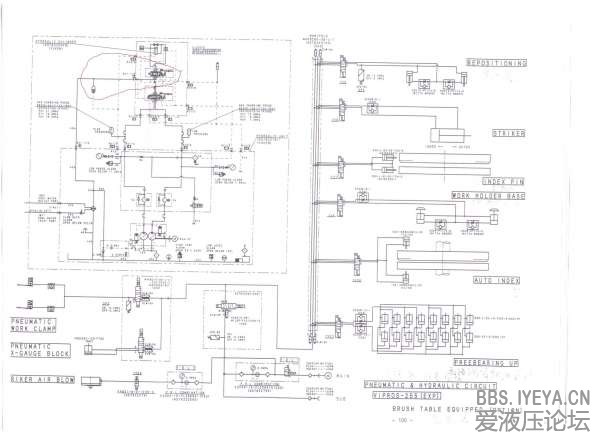
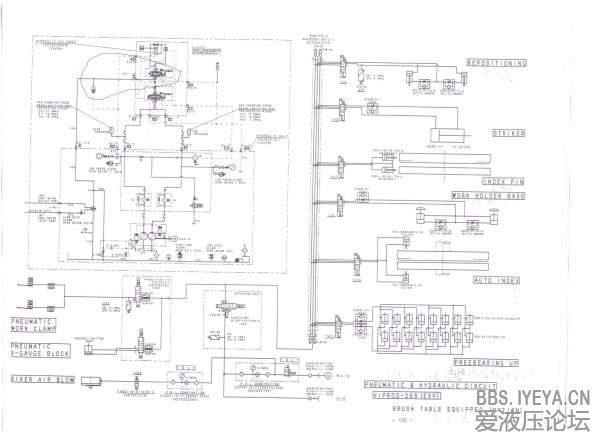
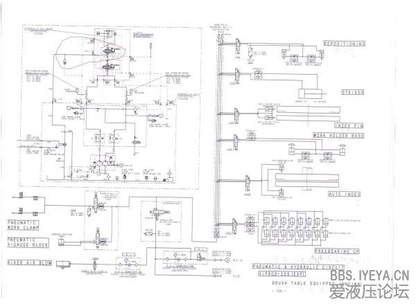
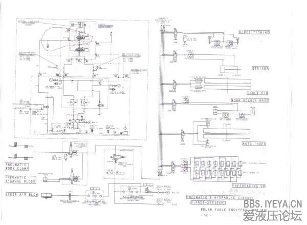
日本进口AMADA 数控冲床 线性阀坏了 请问现在想改用国产配件 替换掉如何替换 求高收帮忙这是原理图
回复
使用道具
举报
提升卡
置顶卡
变色卡
心高气爽
心高气爽
当前离线
积分
630
注册时间
2011-11-2
最后登录
1970-1-1
IP卡
狗仔卡
打卡等级:无名新人
打卡总天数:13
打卡总奖励:13
发表于 2013-6-27 11:12:10
|
显示全部楼层
从图上看是电液比例阀,最好找原件更换,国产需匹配,达到相应功能
回复
使用道具
举报
shouhuo99
shouhuo99
当前离线
积分
211
注册时间
2011-11-23
最后登录
1970-1-1
IP卡
狗仔卡
打卡等级:常驻居民
打卡总天数:312
打卡总奖励:533
发表于 2013-6-27 12:25:25
|
显示全部楼层
楼主,能否上传个清楚的液压原理?
回复
使用道具
举报
海中游
海中游
当前离线
积分
1096
注册时间
2011-8-11
最后登录
1970-1-1
IP卡
狗仔卡
打卡等级:以坛为家
打卡总天数:733
打卡总奖励:1163
发表于 2013-6-27 12:43:47
|
显示全部楼层
比例换向阀还是用原装好。
要想更换品牌,需要对PLC(包括A/D模块)、放大器、液压阀都很清楚,对于比例阀调整也清楚,如此方可以更换。否则很容易出问题。
对于一般的阀件通径、安装尺寸、电压等等一样,一般可以代用。
回复
使用道具
举报
返回列表
高级模式
B
Color
Image
Link
Quote
Code
Smilies
您需要登录后才可以回帖
登录
|
立即注册
本版积分规则
发表回复
回帖后跳转到最后一页
浏览过的版块
液压多路阀
快速回复
返回顶部
返回列表