设为首页
收藏本站
所有帖子
关于我们
联系我们
微信群
开启辅助访问
搜索
搜索
本版
用户
门户
Portal
资讯
液压资讯
观点
观点
产品
液压产品
技术
液压技术
合集
导读
Guide
下载
签到
金币
论坛
BBS
登录
立即注册
腾讯QQ
账号
自动登录
找回密码
密码
登录
立即注册
只需一步,快速开始
好友
动态
收藏
分享
帖子
日志
记录
相册
留言板
勋章
任务
道具
设置
退出
液压圈
»
论坛
›
液压工程师
›
资料下载
›
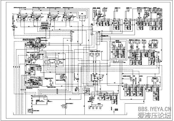
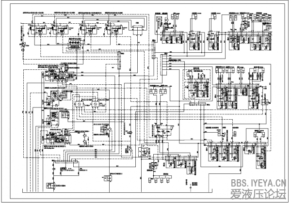
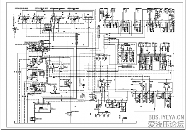
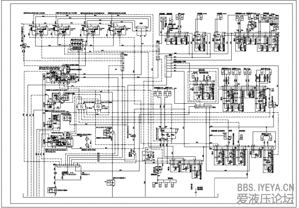
发个铣刨机液压系统原理图供大家学习
负载敏感资料下载
|
液压培训资料下载
|
液压样本下载
|
AMESim资料下载
|
力士乐资料下载
|
挖掘机资料下载
|
标准资料下载
|
多路阀资料下载
1
2
/ 2 页
下一页
返回列表
查看:
15096
|
回复:
17
[图纸]
发个铣刨机液压系统原理图供大家学习
[复制链接]
xiaoshxin
xiaoshxin
当前离线
积分
1997
注册时间
2010-12-4
最后登录
1970-1-1
IP卡
狗仔卡
发表于 2013-7-28 12:54:26
|
显示全部楼层
|
阅读模式
Doc1.pdf
(382.36 KB, 下载次数: 399, 售价: 5 金钱)
2013-7-28 12:50 上传
点击文件名下载附件
回复
使用道具
举报
提升卡
置顶卡
变色卡
一线牵
一线牵
当前离线
积分
116
注册时间
2013-6-30
最后登录
1970-1-1
IP卡
狗仔卡
发表于 2013-8-18 19:09:18
|
显示全部楼层
很好的资料,只是看不清楚
回复
使用道具
举报
zb311
zb311
当前离线
积分
6
注册时间
2012-12-28
最后登录
1970-1-1
IP卡
狗仔卡
打卡等级:无名新人
打卡总天数:1
打卡总奖励:5
发表于 2013-8-20 10:00:19
|
显示全部楼层
楼主好辛苦啊,谢谢给力的资料
回复
使用道具
举报
lichaowj
lichaowj
当前离线
积分
8
注册时间
2013-9-7
最后登录
1970-1-1
IP卡
狗仔卡
发表于 2013-9-7 15:20:13
|
显示全部楼层
很好,很强大,正好需要,谢谢了!
回复
使用道具
举报
wangfliang
wangfliang
当前离线
积分
17
注册时间
2011-2-27
最后登录
1970-1-1
IP卡
狗仔卡
发表于 2014-6-14 23:26:47
|
显示全部楼层
有点看不清楚,清楚点就更完美了
回复
使用道具
举报
sunlike
sunlike
当前离线
积分
131
注册时间
2014-3-10
最后登录
1970-1-1
IP卡
狗仔卡
打卡等级:无名新人
打卡总天数:3
打卡总奖励:19
发表于 2014-6-16 08:32:51
|
显示全部楼层
研究一下 十分感谢
回复
使用道具
举报
lo17901
lo17901
当前离线
积分
14
注册时间
2013-4-11
最后登录
1970-1-1
IP卡
狗仔卡
打卡等级:无名新人
打卡总天数:17
打卡总奖励:56
发表于 2014-6-16 09:52:42
|
显示全部楼层
看不清楚哦。下载也看不清楚
回复
使用道具
举报
liangquan6
liangquan6
当前离线
积分
128
注册时间
2012-11-1
最后登录
1970-1-1
IP卡
狗仔卡
打卡等级:无名新人
打卡总天数:1
打卡总奖励:3
发表于 2014-6-24 15:04:48
|
显示全部楼层
遗憾呀,pdf的看不清
回复
使用道具
举报
初学者
初学者
当前离线
积分
425
注册时间
2011-11-25
最后登录
1970-1-1
IP卡
狗仔卡
打卡等级:偶尔看看
打卡总天数:124
打卡总奖励:830
发表于 2014-6-25 08:50:12
|
显示全部楼层
可以一看,练练手
回复
使用道具
举报
carter23999
carter23999
当前离线
积分
60
注册时间
2013-5-8
最后登录
1970-1-1
IP卡
狗仔卡
打卡等级:无名新人
打卡总天数:3
打卡总奖励:15
发表于 2014-6-30 13:14:23
|
显示全部楼层
放大后完全看不清楚,要是更清楚点就好了
回复
使用道具
举报
下一页 »
1
2
/ 2 页
下一页
返回列表
高级模式
B
Color
Image
Link
Quote
Code
Smilies
您需要登录后才可以回帖
登录
|
立即注册
本版积分规则
发表回复
回帖后跳转到最后一页
浏览过的版块
供求信息
快速回复
返回顶部
返回列表