搜索
汉力达液压金币充值官方微信群液压资料下载
查看: 10098|回复: 13

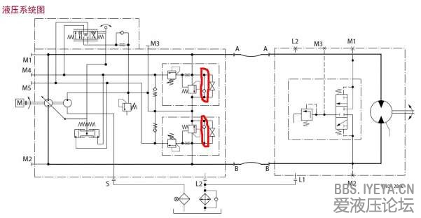
萨澳90系列轴向柱塞泵补油泵出口油路那一组单向阀的作用

[复制链接]
发表于 2013-8-5 14:43:05 | 显示全部楼层 |阅读模式
请教各位,
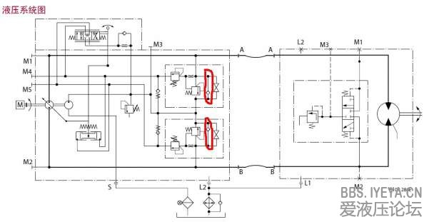
1.萨澳90系列轴向柱塞原理图中补油泵出口油路那一组单向阀的作用?
2.原理中的截止阀就是旁通阀吗?
11.jpg
  • 打卡等级:即来则安
  • 打卡总天数:206
  • 打卡总奖励:631
发表于 2013-8-5 15:42:09 | 显示全部楼层
应该不是常规补油路的单向阀,另外变量泵卸油至M4和M5口的两个安全阀的作用是?坐等高人指点。
回复

使用道具 举报

  • 打卡等级:无名新人
  • 打卡总天数:3
  • 打卡总奖励:4
发表于 2013-8-5 15:44:17 | 显示全部楼层
那两个单向阀应该是伺服机构的安全阀,有一定压力
回复

使用道具 举报

 楼主| 发表于 2013-8-5 15:55:09 | 显示全部楼层
补油单向阀是另外两个单向阀,而且我看了力士乐的闭式泵A4VG和萨澳的90系列,两者的泵原理,在压力限制阀部分原理是不同的,这样的区别分别什么作用呢。力士乐的压力限制阀(即压力切断阀)部分是溢流阀加一个梭阀,请问这个梭阀的作用是什么?
望高手给予解答,谢谢

萨澳90系列柱塞泵

萨澳90系列柱塞泵

力士乐A4VG

力士乐A4VG
回复

使用道具 举报

 楼主| 发表于 2013-8-5 15:59:59 | 显示全部楼层
补油单向阀是另外两个。
萨澳的90系列柱塞泵和力士乐的A4VG泵两者原理,在压力切断阀部分有所不同。力士乐的A4VG中的压力切断阀部分带一个梭阀,请问这个梭阀的作用是什么?

萨澳90系列柱塞泵

萨澳90系列柱塞泵

力士乐A4VG

力士乐A4VG
回复

使用道具 举报

 楼主| 发表于 2013-8-5 16:02:00 | 显示全部楼层
蚊坚强 发表于 2013-8-5 15:44
那两个单向阀应该是伺服机构的安全阀,有一定压力

能具体解释一下吗?谢谢
回复

使用道具 举报

发表于 2013-8-5 16:03:48 | 显示全部楼层
同意三楼的看法
回复

使用道具 举报

  • 打卡等级:无名新人
  • 打卡总天数:3
  • 打卡总奖励:4
发表于 2013-8-5 16:19:17 | 显示全部楼层
victoria1101 发表于 2013-8-5 16:02
能具体解释一下吗?谢谢

就是伺服控制回路的背压安全阀,力士乐的一般都没有
QQ图片20130805161922.jpg
回复

使用道具 举报

  • 打卡等级:无名新人
  • 打卡总天数:3
  • 打卡总奖励:4
发表于 2013-8-5 16:21:43 | 显示全部楼层
蚊坚强 发表于 2013-8-5 16:19
就是伺服控制回路的背压安全阀,力士乐的一般都没有

就是这个
QQ图片20130805161922.jpg
回复

使用道具 举报

 楼主| 发表于 2013-8-6 09:04:16 | 显示全部楼层
蚊坚强 发表于 2013-8-5 16:21
就是这个

这个在萨澳样本上叫做伺服压力溢流阀,可是为什么原理上画成单向阀呢。
回复

使用道具 举报

您需要登录后才可以回帖 登录 | 立即注册

本版积分规则