- 积分
- 569
- 注册时间
- 2012-9-12
- 最后登录
- 1970-1-1
- 打卡等级:论坛老炮
- 打卡总天数:1256
- 打卡总奖励:4603
|
发表于 2013-8-23 11:39:58
|
显示全部楼层
dragon韩 发表于 2013-8-23 08:34 
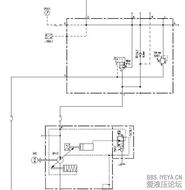
谢谢您的回答:
3.启动电机压力传感器就显示为12bar,如果按你所说FV4关闭,那压力传感器那个位置的压力 ...
您好,关于您的问题,我的理解如下:
1、当系统空载启动时,测压点2(图中圆圈标注的2处)压力为系统压力,理论上为0bar,实际考虑系统背压等因素,可能不为零。
2、系统启动后,负载压力低于16bar,FV4关闭蹩压到16bar后主泵开始工作,然后FV4开启,主泵输出负载所需压力;
3、系统压力大于16bar,FV4开启后,此时测压点2与测压点1处压力相等;
这是我对预载阀的理解;
关于您和版主的测压点讨论,一个是系统压力,一个是泵体压力,好似在一个单向阀前后加两个测压点,可想两个测压点的压力数值不会一样的。其他的具体问题,不置可否。
谢谢! |
|