搜索
汉力达液压金币充值官方微信群液压资料下载
查看: 4600|回复: 3

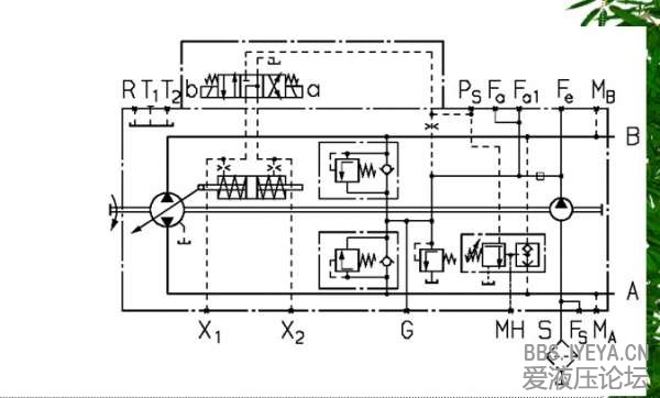
A4VG下图如何调整排量和压力切断的?

[复制链接]
  • 打卡等级:无名新人
  • 打卡总天数:1
  • 打卡总奖励:8
发表于 2013-9-4 08:27:58 | 显示全部楼层 |阅读模式
A4VG下图如何调整排量和压力切断的?
求详解
1.jpg
发表于 2013-9-4 14:25:44 | 显示全部楼层
普通换向阀实现排量调整(此图中位两点式排量)。 MH上面那个阀即是压力切断阀。

点评

你那图不错啊  发表于 2013-9-4 19:44
回复

使用道具 举报

  • 打卡等级:无名新人
  • 打卡总天数:1
  • 打卡总奖励:8
 楼主| 发表于 2013-9-4 16:43:10 | 显示全部楼层
China▲液压 发表于 2013-9-4 14:25
普通换向阀实现排量调整(此图中位两点式排量)。 MH上面那个阀即是压力切断阀。

确实是两点式的 谢谢,压力切断是如何切断的?不是连接主油路啊?
回复

使用道具 举报

发表于 2013-9-4 19:02:05 | 显示全部楼层
梭阀判断出a/b口的压力,当压力超过切断阀压力,那么切断阀打开,控制泵伺服油缸的先导控制油卸荷,泵伺服排量机构在弹簧作用下回中。

点评

此答案正解  发表于 2013-9-4 19:04
回复

使用道具 举报

您需要登录后才可以回帖 登录 | 立即注册

本版积分规则