搜索
汉力达液压金币充值官方微信群液压资料下载
查看: 5195|回复: 6

带充液阀四柱油压缸,加保压阀后工作不正常

[复制链接]
  • 打卡等级:偶尔看看
  • 打卡总天数:68
  • 打卡总奖励:399
发表于 2013-9-6 09:18:10 | 显示全部楼层 |阅读模式
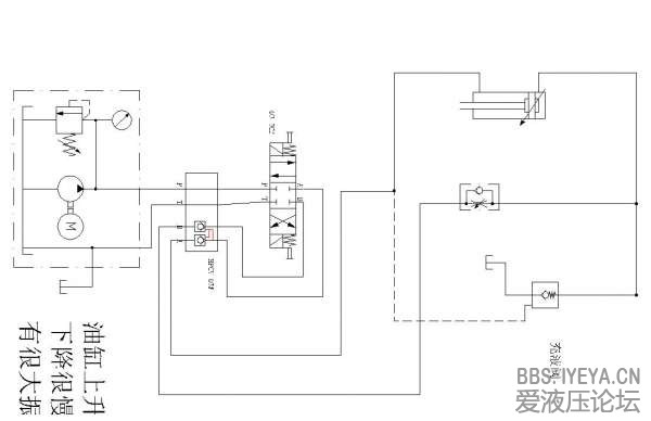
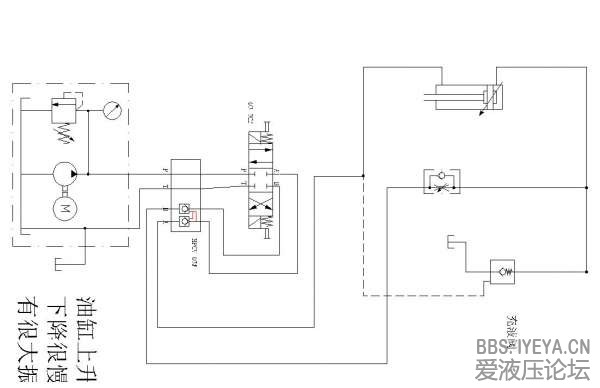
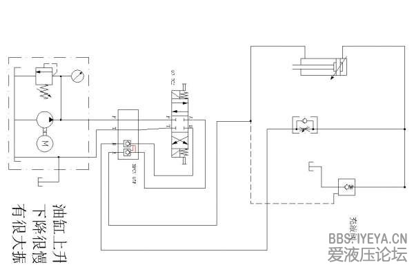
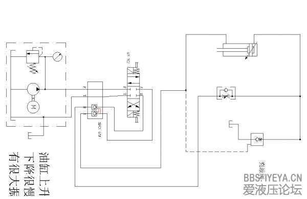
带充液阀四柱油压缸,加保压阀后工作不正常 :能正常上升但下降时振动很大而且很慢
四柱油压机.jpg
  • 打卡等级:偶尔看看
  • 打卡总天数:66
  • 打卡总奖励:158
发表于 2013-9-6 10:06:00 | 显示全部楼层
本帖最后由 zzfjct 于 2013-9-6 10:13 编辑

已开专贴说明,见:https://www.iyeya.cn/thread-17584-1-1.html
回复

使用道具 举报

  • 打卡等级:偶尔看看
  • 打卡总天数:68
  • 打卡总奖励:399
 楼主| 发表于 2013-9-6 10:43:02 | 显示全部楼层
zzfjct 的回答,如果我把双保压修改成只保A口,那样行不行呢?
回复

使用道具 举报

  • 打卡等级:偶尔看看
  • 打卡总天数:66
  • 打卡总奖励:158
发表于 2013-9-6 11:45:01 | 显示全部楼层
本帖最后由 zzfjct 于 2013-9-6 11:46 编辑
andylai1688 发表于 2013-9-6 10:43
zzfjct 的回答,如果我把双保压修改成只保A口,那样行不行呢?


你要解决什么问题?是无杆腔的保压还是自行下落?
你原来的系统下落速度没有限制的。
我的专贴你看明白没有?
回复

使用道具 举报

发表于 2013-9-6 12:36:07 | 显示全部楼层
换向阀用Y型效果应该会改善。下降时,在回油加节流阀,增加阻尼。
回复

使用道具 举报

  • 打卡等级:偶尔看看
  • 打卡总天数:118
  • 打卡总奖励:605
发表于 2013-9-6 14:12:31 | 显示全部楼层
本帖最后由 诚实可靠小郎君 于 2013-9-6 14:13 编辑

下降时振动很大  我觉得是下降是你提供的流量太大  压力波动明显   使得你的液压锁阀芯震振频繁
建议可以在下降工况时  适当减小节流口开口
另外,你这个液压锁和O型中位机能的换向阀一起用  在中位的时候能锁的好吗?
回复

使用道具 举报

发表于 2013-9-6 17:32:55 | 显示全部楼层
如果是处于调试阶段的产品,可以检查一下在设定流量下,液压锁的通流压损与充液阀的反向开启压力是否干扰
回复

使用道具 举报

您需要登录后才可以回帖 登录 | 立即注册

本版积分规则