设为首页
收藏本站
所有帖子
关于我们
联系我们
微信群
开启辅助访问
搜索
搜索
本版
用户
门户
Portal
资讯
液压资讯
观点
观点
产品
液压产品
技术
液压技术
合集
导读
Guide
下载
签到
金币
论坛
BBS
登录
立即注册
腾讯QQ
账号
自动登录
找回密码
密码
登录
立即注册
只需一步,快速开始
好友
动态
收藏
分享
帖子
日志
记录
相册
留言板
勋章
任务
道具
设置
退出
液压圈
»
论坛
›
液压系统
›
伺服控制
›
伺服比例阀输入信号如何设置?
负载敏感资料下载
|
液压培训资料下载
|
液压样本下载
|
AMESim资料下载
|
力士乐资料下载
|
挖掘机资料下载
|
标准资料下载
|
多路阀资料下载
返回列表
查看:
6511
|
回复:
6
伺服比例阀输入信号如何设置?
[复制链接]
猪头平
猪头平
当前离线
积分
24
注册时间
2012-7-20
最后登录
1970-1-1
IP卡
狗仔卡
发表于 2013-9-11 10:34:24
|
显示全部楼层
|
阅读模式
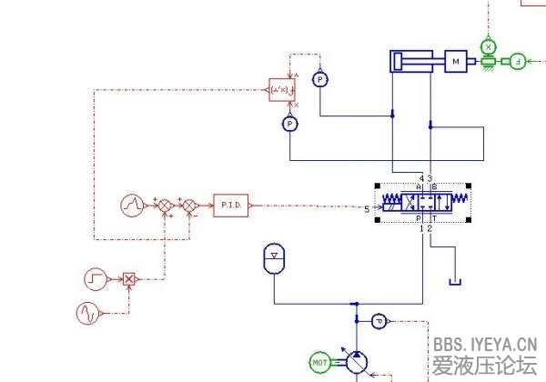
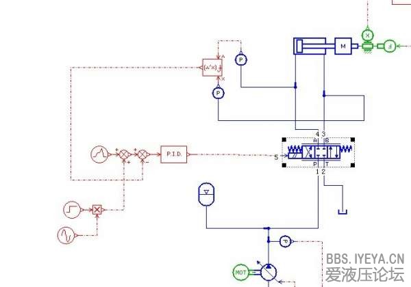
目前在做一个疲劳试验台。刚接触AMESIN,求教各位大神如何设置伺服
比例阀
输入信号。部分系统原理图如附件所示,系统要求是加载到一定125T力,力做正弦变化。PID环节前的反馈的是力,而比例阀的输入信号应该是电流,求教各位大神指导这个菜鸟,如何设置?如何实现力与该电流的电流的转化(就像是速度向位移的转化加积分环节一样)?多谢!
回复
使用道具
举报
提升卡
置顶卡
变色卡
742744796
742744796
当前离线
积分
27
注册时间
2013-9-7
最后登录
1970-1-1
IP卡
狗仔卡
发表于 2013-9-11 13:55:21
|
显示全部楼层
你详细的图能发我邮箱不?QQ742744796 我看下。。。。
回复
使用道具
举报
猪头平
猪头平
当前离线
积分
24
注册时间
2012-7-20
最后登录
1970-1-1
IP卡
狗仔卡
楼主
|
发表于 2013-9-11 20:24:36
|
显示全部楼层
今天请教导师了,被鄙视了,还是自对这个软件不熟。也让各位大神见笑了!
点评
醉乐清风
看来你们导师对AMESim很有研究啊,能否给介绍一下,并加入我们群LMS AMESim&VL.Motion 295676052 ,谢谢楼主!
详情
回复
发表于 2014-8-31 11:31
回复
使用道具
举报
ywc630
ywc630
当前离线
积分
56
注册时间
2014-5-27
最后登录
1970-1-1
IP卡
狗仔卡
发表于 2014-8-26 09:40:32
|
显示全部楼层
可以像你请教这个问题吗
回复
使用道具
举报
鸿逸ares
鸿逸ares
当前离线
积分
67
注册时间
2012-7-31
最后登录
1970-1-1
IP卡
狗仔卡
发表于 2014-8-29 15:30:19
|
显示全部楼层
你反馈的是压力,在反馈回路加一个传递函数或乘以比例系数是不是可以呢
回复
使用道具
举报
醉乐清风
醉乐清风
当前离线
积分
1908
注册时间
2013-3-22
最后登录
1970-1-1
IP卡
狗仔卡
打卡等级:常驻居民
打卡总天数:365
打卡总奖励:2062
发表于 2014-8-31 11:31:46
|
显示全部楼层
猪头平 发表于 2013-9-11 20:24
今天请教导师了,被鄙视了,还是自对这个软件不熟。也让各位大神见笑了!
看来你们导师对AMESim很有研究啊,能否给介绍一下,并加入我们群LMS AMESim&VL.Motion 295676052 ,谢谢楼主!
回复
使用道具
举报
lgz2868
lgz2868
当前离线
积分
823
注册时间
2013-5-16
最后登录
1970-1-1
IP卡
狗仔卡
发表于 2014-9-3 23:12:51
|
显示全部楼层
伺服阀是控制部分,液压缸是执行部分,两者之间有关于电流-力的数学模型,数学模型要在仿真之前,这样你就明白了,通过信号调节,得到理想的电流-力的关系了。
回复
使用道具
举报
返回列表
高级模式
B
Color
Image
Link
Quote
Code
Smilies
您需要登录后才可以回帖
登录
|
立即注册
本版积分规则
发表回复
回帖后跳转到最后一页
浏览过的版块
资料下载
插装阀
液压技术
液压泵马达
求职招聘
液压电磁阀
快速回复
返回顶部
返回列表