设为首页
收藏本站
所有帖子
关于我们
联系我们
微信群
开启辅助访问
搜索
搜索
本版
用户
门户
Portal
资讯
液压资讯
观点
观点
产品
液压产品
技术
液压技术
合集
导读
Guide
下载
签到
金币
论坛
BBS
登录
立即注册
腾讯QQ
账号
自动登录
找回密码
密码
登录
立即注册
只需一步,快速开始
好友
动态
收藏
分享
帖子
日志
记录
相册
留言板
勋章
任务
道具
设置
退出
液压圈
»
论坛
›
液压系统
›
液压技术
›
大家帮我看看这是什么阀?
负载敏感资料下载
|
液压培训资料下载
|
液压样本下载
|
AMESim资料下载
|
力士乐资料下载
|
挖掘机资料下载
|
标准资料下载
|
多路阀资料下载
返回列表
查看:
4668
|
回复:
8
大家帮我看看这是什么阀?
[复制链接]
坡上青青草
坡上青青草
当前离线
积分
33
注册时间
2013-8-15
最后登录
1970-1-1
IP卡
狗仔卡
发表于 2013-10-7 21:07:41
|
显示全部楼层
|
阅读模式
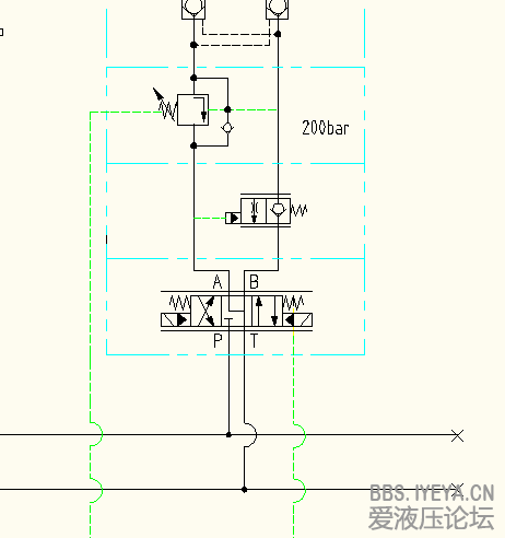
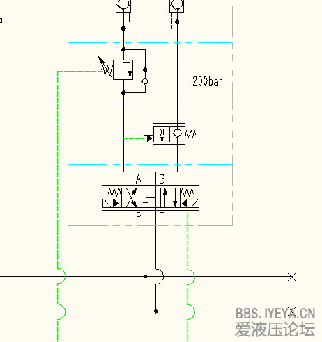
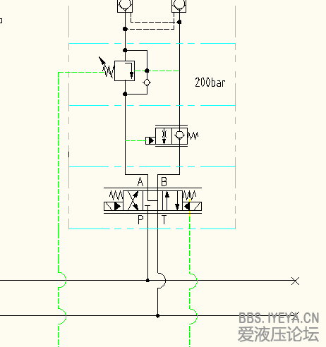
大家帮我看看这是什么阀?高炉泥炮上面的
自上而下第三个阀
伴我看看这厮什么阀
回复
使用道具
举报
提升卡
置顶卡
变色卡
流向世界
流向世界
当前离线
积分
204
注册时间
2011-12-5
最后登录
1970-1-1
IP卡
狗仔卡
发表于 2013-10-8 08:11:58
|
显示全部楼层
给电动止回阀原理差不多
回复
使用道具
举报
wanghao0201
wanghao0201
当前离线
积分
154
注册时间
2012-8-25
最后登录
1970-1-1
IP卡
狗仔卡
打卡等级:无名新人
打卡总天数:1
打卡总奖励:1
发表于 2013-10-8 09:54:53
|
显示全部楼层
平衡阀的说
回复
使用道具
举报
一线牵
一线牵
当前离线
积分
116
注册时间
2013-6-30
最后登录
1970-1-1
IP卡
狗仔卡
发表于 2013-10-8 10:43:01
|
显示全部楼层
FD型平衡阀
回复
使用道具
举报
sdr
sdr
当前离线
积分
506
注册时间
2012-5-9
最后登录
1970-1-1
IP卡
狗仔卡
打卡等级:以坛为家
打卡总天数:772
打卡总奖励:2750
发表于 2013-10-8 11:53:22
|
显示全部楼层
这是个液控启动阀,或叫液控单向节流阀,特别设计的,上海有家厂家生产,是插装类的。多用于车辆液压系统。
回复
使用道具
举报
降猪十巴掌
降猪十巴掌
当前离线
积分
115
注册时间
2013-5-2
最后登录
1970-1-1
IP卡
狗仔卡
发表于 2013-10-8 16:19:06
|
显示全部楼层
平衡阀,一种液比例换向阀
回复
使用道具
举报
卖女孩的火柴
卖女孩的火柴
当前离线
积分
1086
注册时间
2011-10-9
最后登录
1970-1-1
IP卡
狗仔卡
打卡等级:伴坛终老
打卡总天数:2556
打卡总奖励:6388
发表于 2013-10-8 16:37:22
|
显示全部楼层
叠加式平衡阀 不要大惊小怪
回复
使用道具
举报
在云那方
在云那方
当前离线
积分
88
注册时间
2013-1-30
最后登录
1970-1-1
IP卡
狗仔卡
打卡等级:偶尔看看
打卡总天数:79
打卡总奖励:146
发表于 2013-10-8 20:22:54
|
显示全部楼层
平衡阀,负载控制阀
回复
使用道具
举报
zhoutianyue
zhoutianyue
当前离线
积分
30
注册时间
2013-5-22
最后登录
1970-1-1
IP卡
狗仔卡
打卡等级:无名新人
打卡总天数:11
打卡总奖励:29
发表于 2013-10-9 15:02:49
|
显示全部楼层
平衡阀的原理,只不过这个平衡阀所产生的背压与控制压力成比例
回复
使用道具
举报
返回列表
高级模式
B
Color
Image
Link
Quote
Code
Smilies
您需要登录后才可以回帖
登录
|
立即注册
本版积分规则
发表回复
回帖后跳转到最后一页
浏览过的版块
液压油缸
公告区
液压多路阀
快速回复
返回顶部
返回列表