搜索
汉力达液压金币充值官方微信群液压资料下载
查看: 5608|回复: 5

丹尼逊金杯系列原理

[复制链接]
发表于 2013-10-20 19:54:56 | 显示全部楼层 |阅读模式
本帖最后由 whutliao 于 2013-10-20 19:56 编辑

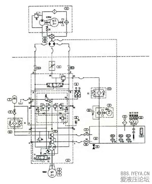
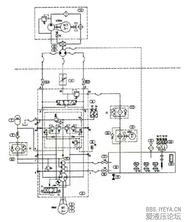
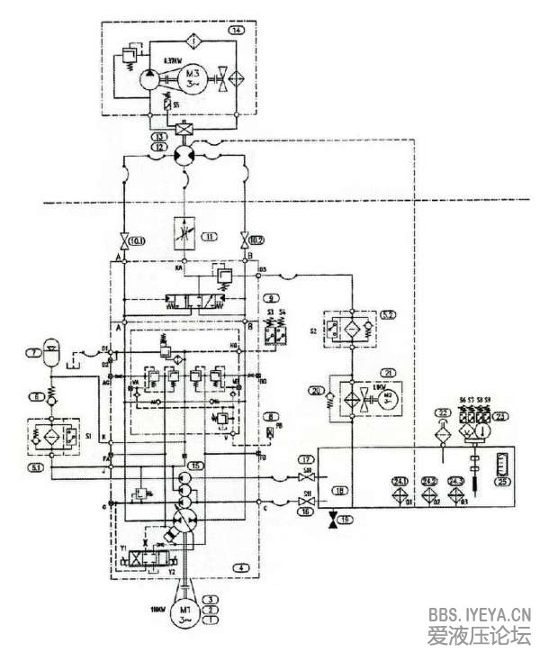
上图是丹尼逊官方网站下载的原理图,下图是PARKER交工资料中的液压系统原理图。请老师详细讲解一下的原理和系统原理。
金杯泵原理图P11-14S-Model.jpg
斗轮.jpg
发表于 2013-10-23 20:31:17 | 显示全部楼层
正在使用金杯系列P6P的泵,原理其实不复杂

丹尼逊液压技术金杯系列闭式传动应用手册(泵和马达).pdf

1.52 MB, 下载次数: 195

售价: 5 金钱  [记录]

回复

使用道具 举报

发表于 2013-10-24 09:26:44 | 显示全部楼层
一台电比例控制的闭式泵
斗轮机的液压系统,马达没猜错的话应该是赫格隆马达
回复

使用道具 举报

 楼主| 发表于 2013-11-18 18:25:57 | 显示全部楼层
zhangrongji85 发表于 2013-10-24 09:26
一台电比例控制的闭式泵
斗轮机的液压系统,马达没猜错的话应该是赫格隆马达

马达是parker calzoni
回复

使用道具 举报

 楼主| 发表于 2013-11-18 18:26:57 | 显示全部楼层
小设计师 发表于 2013-10-23 20:31
正在使用金杯系列P6P的泵,原理其实不复杂

这个手册我有,整个系统我不太理解
回复

使用道具 举报

  • 打卡等级:无名新人
  • 打卡总天数:1
  • 打卡总奖励:5
发表于 2013-11-18 18:30:35 | 显示全部楼层
看液压系统图还是要有相关的专业背景,这样理解起来就快些
回复

使用道具 举报

您需要登录后才可以回帖 登录 | 立即注册

本版积分规则