设为首页
收藏本站
所有帖子
关于我们
联系我们
微信群
开启辅助访问
搜索
搜索
本版
用户
门户
Portal
资讯
液压资讯
观点
观点
产品
液压产品
技术
液压技术
合集
导读
Guide
下载
签到
金币
论坛
BBS
登录
立即注册
腾讯QQ
账号
自动登录
找回密码
密码
登录
立即注册
只需一步,快速开始
好友
动态
收藏
分享
帖子
日志
记录
相册
留言板
勋章
任务
道具
设置
退出
液压圈
»
论坛
›
液压元件
›
液压泵马达
›
力士乐A4VSO和A10VSO系列泵的停机时,泵的排量情况? ...
负载敏感资料下载
|
液压培训资料下载
|
液压样本下载
|
AMESim资料下载
|
力士乐资料下载
|
挖掘机资料下载
|
标准资料下载
|
多路阀资料下载
返回列表
查看:
4694
|
回复:
7
力士乐A4VSO和A10VSO系列泵的停机时,泵的排量情况?
[复制链接]
泛舟
泛舟
当前离线
积分
1788
注册时间
2009-10-15
最后登录
1970-1-1
IP卡
狗仔卡
打卡等级:无名新人
打卡总天数:15
打卡总奖励:15
发表于 2013-10-24 08:11:50
|
显示全部楼层
|
阅读模式
力士乐
A4VSO和A10VSO系列
泵
的停机时,泵的排量情况?
停机情况时,是最小排量还是最大排量?讨论该排量情况,分单向变量泵及双向变量泵。
回复
使用道具
举报
提升卡
置顶卡
变色卡
qqqqqqwwww
qqqqqqwwww
当前离线
积分
1919
注册时间
2013-3-31
最后登录
1970-1-1
IP卡
狗仔卡
打卡等级:论坛老炮
打卡总天数:1259
打卡总奖励:1996
发表于 2013-10-24 09:24:35
来自手机
|
显示全部楼层
停机时,因为主油路压力卸荷为0,所以DR及FR阀均右位工作,所以变量缸控制活塞端通油箱,斜盘在复位弹簧作用下处于最大摆角状态。
回复
使用道具
举报
qqqqqqwwww
qqqqqqwwww
当前离线
积分
1919
注册时间
2013-3-31
最后登录
1970-1-1
IP卡
狗仔卡
打卡等级:论坛老炮
打卡总天数:1259
打卡总奖励:1996
发表于 2013-10-24 09:46:00
来自手机
|
显示全部楼层
至于单向变量及双向变量,这与泵的旋向有关系,只能向一个方向摆动,顺时针旋转时,摆角向左,逆时针摆角向右。
回复
使用道具
举报
静静等待
静静等待
当前离线
积分
513
注册时间
2012-3-13
最后登录
1970-1-1
IP卡
狗仔卡
发表于 2013-10-24 10:23:56
|
显示全部楼层
停机时应该是最大排量处,这个和是否是双向旋转没有关系的吧?
回复
使用道具
举报
泛舟
泛舟
当前离线
积分
1788
注册时间
2009-10-15
最后登录
1970-1-1
IP卡
狗仔卡
打卡等级:无名新人
打卡总天数:15
打卡总奖励:15
楼主
|
发表于 2013-10-24 13:35:28
|
显示全部楼层
第一例:A4VSO...DR,泵停机状态为最大排量。
回复
使用道具
举报
xwy@home
xwy@home
当前离线
积分
569
注册时间
2012-9-12
最后登录
1970-1-1
IP卡
狗仔卡
打卡等级:论坛老炮
打卡总天数:1256
打卡总奖励:4603
发表于 2013-10-24 21:34:46
|
显示全部楼层
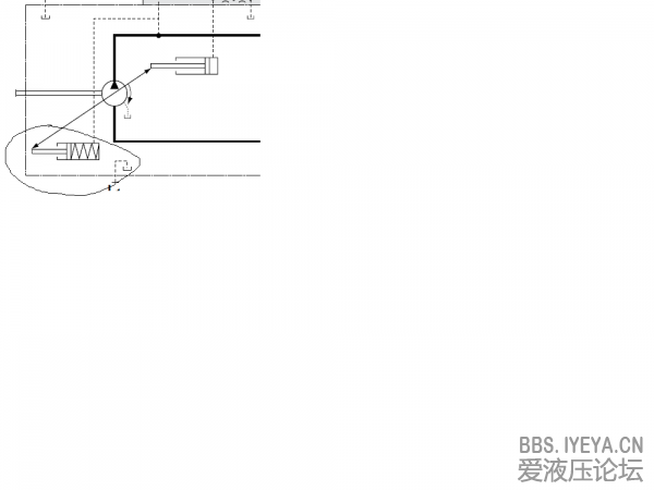
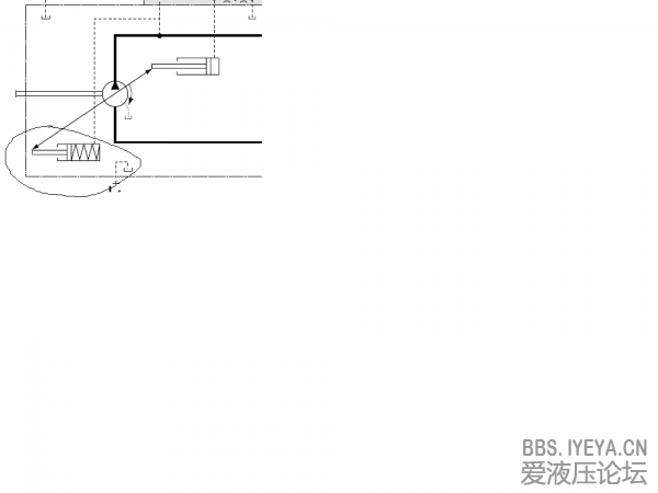
您好,尝试参与这个问题:
1、A10V系列泵源,由于自身回程弹簧结构(如图所示圆圈位置),停机时泵处于大摆角状态;
2、A4V系列泵源,由于小端弹簧作用,停机时泵处于大摆角状态;
3、A10V系列泵源多数为单向变量泵(电控除外)泵停机时处于大摆角度由于1解释了,所以与旋向无关;
4、A4V系列泵源有闭式用泵,有单向也有双向变量泵,但是泵停机时处于大摆角度由于2解释了,所以与旋向无关;
5、以上不包括电控泵;
谢谢!
回复
使用道具
举报
摆渡人
摆渡人
当前离线
积分
229
注册时间
2014-1-6
最后登录
1970-1-1
IP卡
狗仔卡
发表于 2014-2-19 21:18:29
|
显示全部楼层
这两个都是单向变量泵
回复
使用道具
举报
摆渡人
摆渡人
当前离线
积分
229
注册时间
2014-1-6
最后登录
1970-1-1
IP卡
狗仔卡
发表于 2014-2-19 21:19:00
|
显示全部楼层
停机,都处于最大排量
回复
使用道具
举报
返回列表
高级模式
B
Color
Image
Link
Quote
Code
Smilies
您需要登录后才可以回帖
登录
|
立即注册
本版积分规则
发表回复
回帖后跳转到最后一页
浏览过的版块
插装阀
液压技术
供求信息
快速回复
返回顶部
返回列表