设为首页
收藏本站
所有帖子
关于我们
联系我们
微信群
开启辅助访问
搜索
搜索
本版
用户
门户
Portal
资讯
液压资讯
观点
观点
产品
液压产品
技术
液压技术
合集
导读
Guide
下载
签到
金币
论坛
BBS
登录
立即注册
腾讯QQ
账号
自动登录
找回密码
密码
登录
立即注册
只需一步,快速开始
好友
动态
收藏
分享
帖子
日志
记录
相册
留言板
勋章
任务
道具
设置
退出
液压圈
»
论坛
›
液压系统
›
AMESim
›
仿真中液压系统调试中的原则和注意问题讨论 ...
负载敏感资料下载
|
液压培训资料下载
|
液压样本下载
|
AMESim资料下载
|
力士乐资料下载
|
挖掘机资料下载
|
标准资料下载
|
多路阀资料下载
返回列表
查看:
4248
|
回复:
4
仿真中液压系统调试中的原则和注意问题讨论
[复制链接]
じ☆清晨灬
じ☆清晨灬
当前离线
积分
74
注册时间
2013-3-2
最后登录
1970-1-1
IP卡
狗仔卡
发表于 2013-10-30 08:40:48
|
显示全部楼层
|
阅读模式
诸如:
1 刚启动过程的压力波动问题,
2 操纵
多路阀
的对液压缸的压力 流量影响问题,
3 液压
泵
的变量信号,多路阀输入信号对系统的影响问题,
4 各
液压元件
参数对
液压系统
的压力 流量 速度 受力的影响问题
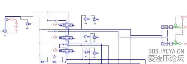
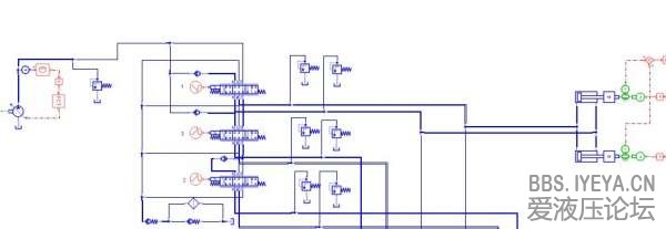
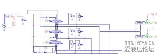
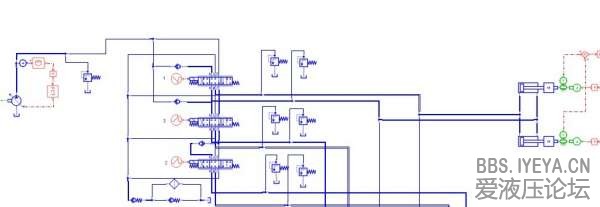
液压系统
如图液压系统
相关帖子
.
意大利萨姆液压马达样本资料
.
液压伺服加载控制问题请教
.
液压系统计算、O型圈、材料兼容性、旋转密封等手机app
.
萌新求助(Amesim与simulink联合仿真)
.
这是个什么油缸,工作原理
.
液压过滤基础
.
上海申福,上海大众,合肥长源,北京华德液压泵样本
.
想给两个液压泵匹配电机
.
供应,定制液压快速接头,承接OEM代工
回复
使用道具
举报
提升卡
置顶卡
变色卡
dushuai
dushuai
当前离线
积分
43
注册时间
2012-5-11
最后登录
1970-1-1
IP卡
狗仔卡
发表于 2013-10-31 09:11:59
|
显示全部楼层
给发个清晰的图,让大家看啊
回复
使用道具
举报
jaycecrazy
jaycecrazy
当前离线
积分
14
注册时间
2013-11-2
最后登录
1970-1-1
IP卡
狗仔卡
发表于 2013-11-3 10:46:38
|
显示全部楼层
图片看不清。换个清楚点的……
回复
使用道具
举报
じ☆清晨灬
じ☆清晨灬
当前离线
积分
74
注册时间
2013-3-2
最后登录
1970-1-1
IP卡
狗仔卡
楼主
|
发表于 2013-11-4 09:11:13
|
显示全部楼层
液压系统图 局部图片
回复
使用道具
举报
如是说啊
如是说啊
当前离线
积分
18
注册时间
2013-11-8
最后登录
1970-1-1
IP卡
狗仔卡
发表于 2013-11-8 17:53:47
|
显示全部楼层
收到 自己正学呢 相信用的着
回复
使用道具
举报
返回列表
高级模式
B
Color
Image
Link
Quote
Code
Smilies
您需要登录后才可以回帖
登录
|
立即注册
本版积分规则
发表回复
回帖后跳转到最后一页
浏览过的版块
液压技术
资料下载
快速回复
返回顶部
返回列表