搜索
金币充值液压资料下载官方微信群
查看: 8498|回复: 9

力士乐M4型的负载敏感多路阀

  [复制链接]
发表于 2013-11-1 13:02:48 | 显示全部楼层 |阅读模式
请教力士乐的M4负载敏感多路阀上的负载保持功能是什么意思了?
发表于 2013-11-1 15:41:44 | 显示全部楼层
我觉得你最好贴个原理图上来。一般挖机上有提到动臂和斗杆的负载保持,都是通过在主阀里插装保持阀实现的
回复

使用道具 举报

  • 打卡等级:无名新人
  • 打卡总天数:4
  • 打卡总奖励:8
发表于 2013-11-1 16:36:03 | 显示全部楼层
应该是指一个液控单向阀能锁住负载
回复

使用道具 举报

  • 打卡等级:偶尔看看
  • 打卡总天数:79
  • 打卡总奖励:146
发表于 2013-11-1 16:52:20 | 显示全部楼层
在补偿器上集成的,可选。
可理解为1、首先负载冲击不会直接作用于泵口,相当于常见的泵口的单向阀
2、各油路不会互相干扰,不会重负载油反向,流向轻负载。类似很多挖机多路阀原理图中每一联的单向阀。
回复

使用道具 举报

  • 打卡等级:无名新人
  • 打卡总天数:3
  • 打卡总奖励:4
发表于 2013-11-2 09:12:50 | 显示全部楼层
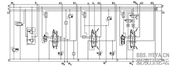
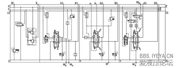
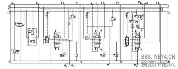
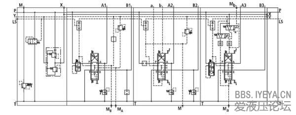
我来贴个图,图示一三联是带负载保持功能的,二联是不带的,其中第一联没有压力补偿功能,三联有压力补偿功能。我的理解,负载保持就是当负载侧的压力大于泵侧的压力时,负载侧的油不会倒流到泵侧,而是通过负载保持阀给截止了,此时相当于一个单向阀。个人见解
M4.jpg
回复

使用道具 举报

  • 打卡等级:即来则安
  • 打卡总天数:277
  • 打卡总奖励:1787
发表于 2013-11-7 21:26:22 | 显示全部楼层
确实有理,能结合图示再解释下最好!
回复

使用道具 举报

  • 打卡等级:偶尔看看
  • 打卡总天数:78
  • 打卡总奖励:291
发表于 2015-8-6 10:18:45 | 显示全部楼层
液压工兵 发表于 2013-11-2 09:12
我来贴个图,图示一三联是带负载保持功能的,二联是不带的,其中第一联没有压力补偿功能,三联有压力补偿功 ...

有点疑问,一联不带压力补偿功能吗?
回复

使用道具 举报

  • 打卡等级:偶尔看看
  • 打卡总天数:61
  • 打卡总奖励:363
发表于 2015-8-7 13:03:39 | 显示全部楼层
液压工兵 发表于 2013-11-2 09:12
我来贴个图,图示一三联是带负载保持功能的,二联是不带的,其中第一联没有压力补偿功能,三联有压力补偿功 ...

如果负载侧的压力一直大于泵侧那相当于这片阀将不起作用是吗?
回复

使用道具 举报

  • 打卡等级:常驻居民
  • 打卡总天数:517
  • 打卡总奖励:1375
发表于 2019-9-26 17:57:32 | 显示全部楼层
这个压力补偿器带不带负载保持或者带不带压力补偿,力士乐样本是有三种,分别是S、T、C
期待高人详细解答
我给把图贴上来,如下

回复

使用道具 举报

  • 打卡等级:常驻居民
  • 打卡总天数:517
  • 打卡总奖励:1375
发表于 2025-12-12 14:29:07 | 显示全部楼层
带负载保持的压力补偿器,当执行侧的压力>泵侧压力时,p口侧截止了,不会发生“倒流”。
回复

使用道具 举报

您需要登录后才可以回帖 登录 | 立即注册

本版积分规则