搜索
汉力达液压金币充值官方微信群液压资料下载
查看: 4165|回复: 7

这是哪里的液压原理图

[复制链接]
  • 打卡等级:无名新人
  • 打卡总天数:2
  • 打卡总奖励:18
发表于 2013-11-21 09:10:14 | 显示全部楼层 |阅读模式
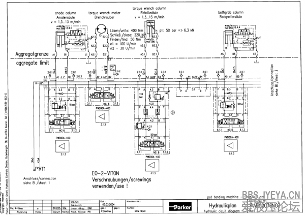
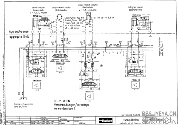
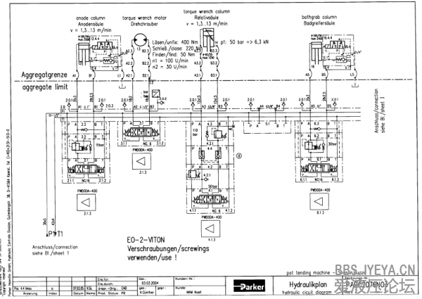
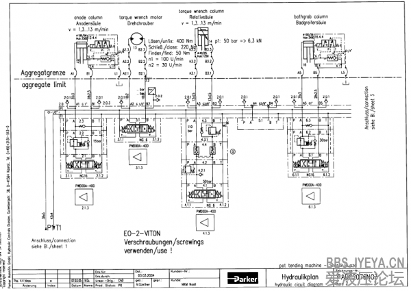
这是网上下载的,不知道是哪里的部分原理图。
QQ截图20131121091016.png

液压原理图.pdf

46.27 KB, 下载次数: 42

售价: 5 金钱  [记录]

  • 打卡等级:偶尔看看
  • 打卡总天数:118
  • 打卡总奖励:605
发表于 2013-11-21 10:17:36 | 显示全部楼层
还是派克的图纸啊~
回复

使用道具 举报

发表于 2013-11-21 12:57:15 | 显示全部楼层
派克的系统图啊!想问楼主想问什么?
回复

使用道具 举报

  • 打卡等级:以坛为家
  • 打卡总天数:696
  • 打卡总奖励:1111
发表于 2013-11-21 13:27:51 | 显示全部楼层
山西华泽铝业的挤压机部分液压图。
回复

使用道具 举报

发表于 2013-11-21 15:46:16 | 显示全部楼层
应该是挤压机的原理图
回复

使用道具 举报

  • 打卡等级:无名新人
  • 打卡总天数:2
  • 打卡总奖励:18
 楼主| 发表于 2013-11-21 17:07:30 | 显示全部楼层
海中游 发表于 2013-11-21 13:27
山西华泽铝业的挤压机部分液压图。


楼主知道的这么详细啊!
回复

使用道具 举报

发表于 2013-11-21 17:40:14 | 显示全部楼层
应该是挤压机上的
回复

使用道具 举报

发表于 2013-11-21 22:04:03 | 显示全部楼层
挤压液压缸旁边的二位三通换向阀如何控制单向阀的通断,a位得电单向阀是通是短,设计目的是什么?请大侠指教。
回复

使用道具 举报

您需要登录后才可以回帖 登录 | 立即注册

本版积分规则