搜索
汉力达液压金币充值官方微信群液压资料下载
查看: 8678|回复: 12

节流调速回路

[复制链接]
  • 打卡等级:无名新人
  • 打卡总天数:1
  • 打卡总奖励:8
发表于 2013-11-28 18:03:35 | 显示全部楼层 |阅读模式
我在教课书上看到几句话一直不理解,进油,回油节流调速回路压力不随负载的变化而变化,所以叫定压式节流调速回路,旁路节流调速回来中,回油路的供油随负载的变化而变化,故又称变压式节流调速回路。压力不是取决于负载的吗,怎么一会变一会不变的呢?
  • 打卡等级:初来乍到
  • 打卡总天数:30
  • 打卡总奖励:74
发表于 2013-11-28 19:24:36 | 显示全部楼层
这里的压力是指液压源的压力,不是负载压力。旁路节流的液压源和负载直接连接,所以压力受负载影响而会改变。
回复

使用道具 举报

  • 打卡等级:无名新人
  • 打卡总天数:1
  • 打卡总奖励:8
 楼主| 发表于 2013-11-28 21:21:49 | 显示全部楼层
游勇 发表于 2013-11-28 19:24
这里的压力是指液压源的压力,不是负载压力。旁路节流的液压源和负载直接连接,所以压力受负载影响而会改变 ...

那回油节流调速算不算是直接接负载的呢?

点评

不算。只是间接的。  发表于 2013-11-28 22:09
回复

使用道具 举报

  • 打卡等级:无名新人
  • 打卡总天数:1
  • 打卡总奖励:8
 楼主| 发表于 2013-11-30 18:31:41 | 显示全部楼层
游勇 发表于 2013-11-28 19:24
这里的压力是指液压源的压力,不是负载压力。旁路节流的液压源和负载直接连接,所以压力受负载影响而会改变 ...

液压源的压力不是也跟着负载在变的吗?

点评

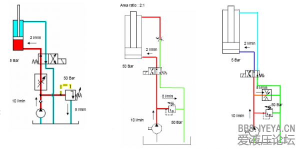
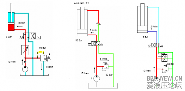
举个例子:液压源是一个10升排量的定量泵,溢流阀设定50Bar,液压缸负载只有5Bar,速度只要有2升/分的液压油进入无杆腔便足够,下图是三个不同流量控制方法的分析。由于使用定量泵,多馀的排量要不通过溢流阀,要不通  详情 回复 发表于 2013-11-30 20:24
回复

使用道具 举报

  • 打卡等级:论坛老炮
  • 打卡总天数:1170
  • 打卡总奖励:1820
发表于 2013-11-30 19:32:39 | 显示全部楼层
henry214 发表于 2013-11-30 18:31
液压源的压力不是也跟着负载在变的吗?

可以这样理解:进口节流调速和回油节流调速时,泵口压力即溢流阀的压力是不变的,但是旁路节流调速,由于定量泵的流量是恒定的,所以由于调压偏差的影响,旁路节流阀的流量影响溢流阀的溢流量,从而引起溢流阀的开启压力,所以溢流阀的压力即泵口的压力是变化的。

点评

不是。旁路节流的液压油是从旁路跑掉,不需从溢流阀回油箱,所以压力与负载相同。  发表于 2013-11-30 20:00
回复

使用道具 举报

  • 打卡等级:论坛老炮
  • 打卡总天数:1170
  • 打卡总奖励:1820
发表于 2013-11-30 20:22:29 | 显示全部楼层
游老师:可不可以这样理解:即进油节流和回油节流时,由于节流阀和负载串联,两个负载压力相加,当负载变大时,节流阀液阻相应减小,但是两者和不变,所以泵口压力维持不变。但旁路节流调速时,两个负载并联,所以泵口压力是相应变化的,始终是最小负载的压力,不知这样理解对不对?
回复

使用道具 举报

  • 打卡等级:初来乍到
  • 打卡总天数:30
  • 打卡总奖励:74
发表于 2013-11-30 20:24:39 | 显示全部楼层
henry214 发表于 2013-11-30 18:31
液压源的压力不是也跟着负载在变的吗?

举个例子:液压源是一个10升排量的定量泵,溢流阀设定50Bar,液压缸负载只有5Bar,速度只要有2升/分的液压油进入无杆腔便足够,下图是三个不同流量控制方法的分析。由于使用定量泵,多馀的排量要不通过溢流阀,要不通过旁路流量阀回油箱。使用入口或出口节流,都要开启溢流阀,而只要油泵排量高于需求,溢流阀都要打开。
Different flow control.png
回复

使用道具 举报

  • 打卡等级:无名新人
  • 打卡总天数:1
  • 打卡总奖励:8
 楼主| 发表于 2013-11-30 20:26:49 | 显示全部楼层
游勇 发表于 2013-11-28 19:24
这里的压力是指液压源的压力,不是负载压力。旁路节流的液压源和负载直接连接,所以压力受负载影响而会改变 ...

压力随负载的变化而变化,他所指的应该是运动的时候吧?刚开始克服摩擦力的时候压力也会突然升高很多的,那个时候负载应该是没有变的吧。

点评

我们缸体挤压的时候有21mpa的压力,缸体里面有七层v行圈密封的呢。感觉磨擦力也应该挺大的。  发表于 2013-11-30 22:52
没做闭环控制前也以为是静磨擦力引起,後来使用只有0.01磨擦系数的密封件也要几吨力才动,觉得不合理,再用慢起动的方法,才找到起动磨擦是非常小的。  发表于 2013-11-30 21:23
您这样理解才是对的是吧,我们公司的人都说是克服静摩擦力。静摩擦力很大的原因,所以压力表刚开始才会有几mpa的压力。  发表于 2013-11-30 20:46
刚开始的压力突变是因为要在0.1秒内把液压缸加速至工作速度,而不是因为克服磨擦力。  发表于 2013-11-30 20:30
回复

使用道具 举报

  • 打卡等级:论坛老炮
  • 打卡总天数:1170
  • 打卡总奖励:1820
发表于 2013-11-30 20:31:55 | 显示全部楼层
游勇 发表于 2013-11-30 20:24
举个例子:液压源是一个10升排量的定量泵,溢流阀设定50Bar,液压缸负载只有5Bar,速度只要有2升/分的液压 ...

谢谢游老师,看了你的原理图,总算明白了,多谢。
回复

使用道具 举报

  • 打卡等级:无名新人
  • 打卡总天数:1
  • 打卡总奖励:8
 楼主| 发表于 2013-11-30 20:43:51 | 显示全部楼层
游勇 发表于 2013-11-30 20:24
举个例子:液压源是一个10升排量的定量泵,溢流阀设定50Bar,液压缸负载只有5Bar,速度只要有2升/分的液压 ...

那前两个节流回来的压力都取决于溢流阀的调定值了哦,压力调大了会怎么样,太感谢了呢,谢谢游老师花时间解答这个问题。

点评

这么感觉,压力跟油液的流动速度还是很有关系的,以前一直被速度取决与流量,与负载无关给绕住了,忽略了油液也是有运动速度的。  发表于 2013-11-30 22:55
这个简单。压力高了,想要相同流量,只要关小节流阀便可。  发表于 2013-11-30 21:24
回复

使用道具 举报

您需要登录后才可以回帖 登录 | 立即注册

本版积分规则