搜索
汉力达液压金币充值官方微信群液压资料下载
查看: 3829|回复: 0

油压机问题的再次请教

[复制链接]
  • 打卡等级:无名新人
  • 打卡总天数:4
  • 打卡总奖励:13
发表于 2013-12-18 09:39:35 | 显示全部楼层 |阅读模式
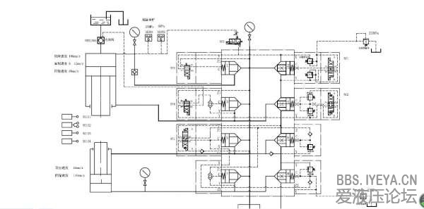
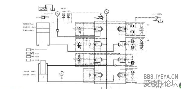
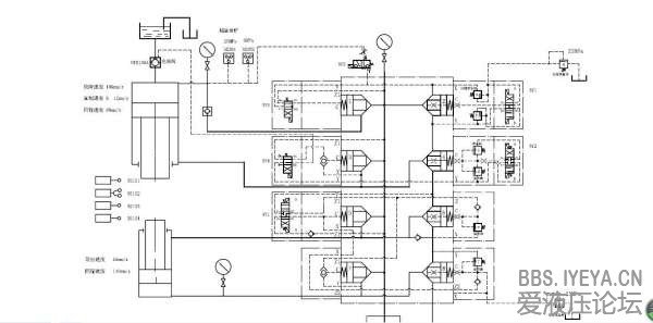
未命名.JPG

各位前辈,此油路图为本论坛中油路图,有人做过解释。
还有几个疑问需要大家帮忙解释:
1、对于电磁先导阀3Y4通电之后,P与B连通,控制充液阀打开,这个好理解。A与T连通,对于插件3的C端,控制油是从哪里取得呢,此时是从A端过来的呢,还是从插件3的出口呢,(因为我不知道现在3Y2的工作状态)?
不知说明白了么,如果有人对这个很了解的话,可以加我QQ号530209071,

插装阀在学校学的比较少,现在自己当老师了,不想误人子弟!
您需要登录后才可以回帖 登录 | 立即注册

本版积分规则