设为首页
收藏本站
所有帖子
关于我们
联系我们
微信群
开启辅助访问
搜索
搜索
本版
用户
门户
Portal
资讯
液压资讯
观点
观点
产品
液压产品
技术
液压技术
合集
导读
Guide
下载
签到
金币
论坛
BBS
登录
立即注册
腾讯QQ
账号
自动登录
找回密码
密码
登录
立即注册
只需一步,快速开始
好友
动态
收藏
分享
帖子
日志
记录
相册
留言板
勋章
任务
道具
设置
退出
液压圈
»
论坛
›
液压元件
›
液压多路阀
›
双阀芯多路阀论坛
负载敏感资料下载
|
液压培训资料下载
|
液压样本下载
|
AMESim资料下载
|
力士乐资料下载
|
挖掘机资料下载
|
标准资料下载
|
多路阀资料下载
1
2
3
/ 3 页
返回列表
楼主:
sixue98
双阀芯多路阀论坛
[复制链接]
sixue98
sixue98
当前离线
积分
502
注册时间
2013-12-20
最后登录
1970-1-1
IP卡
狗仔卡
楼主
|
发表于 2014-1-31 21:17:12
|
显示全部楼层
大型转载机用。
先导阀
回复
使用道具
举报
sixue98
sixue98
当前离线
积分
502
注册时间
2013-12-20
最后登录
1970-1-1
IP卡
狗仔卡
楼主
|
发表于 2014-12-10 16:32:54
|
显示全部楼层
本帖最后由 sixue98 于 2014-12-10 16:35 编辑
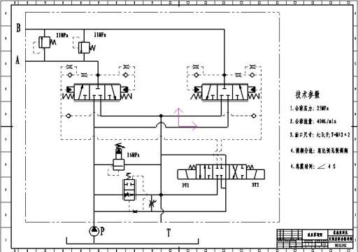
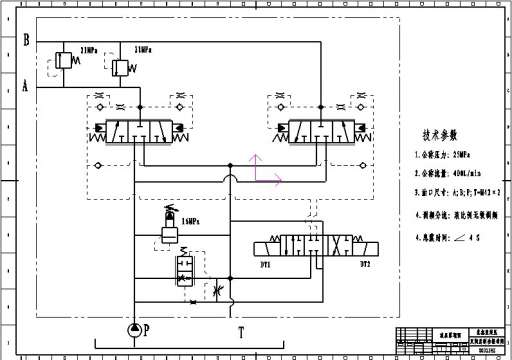
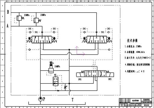
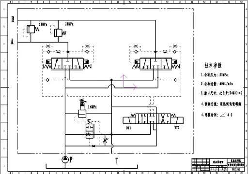
看一下应用实例:
双阀芯振动阀
回复
使用道具
举报
1
2
3
/ 3 页
返回列表
高级模式
B
Color
Image
Link
Quote
Code
Smilies
您需要登录后才可以回帖
登录
|
立即注册
本版积分规则
发表回复
回帖后跳转到最后一页
浏览过的版块
供求信息
液压电磁阀
工程机械
液压油缸
AMESim
快速回复
返回顶部
返回列表