搜索
汉力达液压金币充值官方微信群液压资料下载
查看: 3875|回复: 4

求西门子模拟量模块6SE 7 332-5HF00-0AB0与7芯及12芯伺服阀的连接图

[复制链接]
  • 打卡等级:无名新人
  • 打卡总天数:14
  • 打卡总奖励:14
发表于 2014-1-2 14:38:19 | 显示全部楼层 |阅读模式
求西门子模拟量模块6SE 7 332-5HF00-0AB0与7芯及12芯伺服阀的连接图
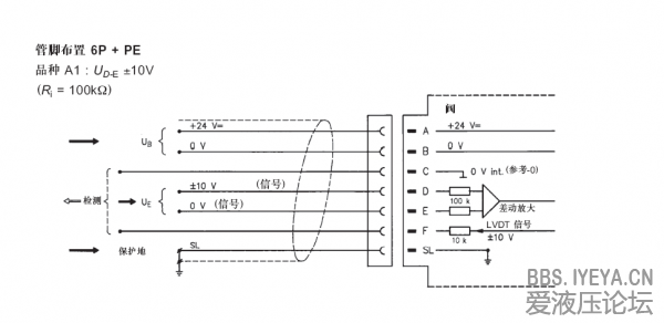
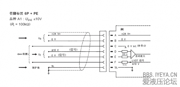
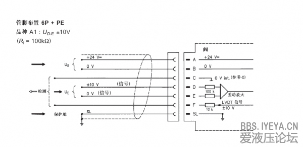
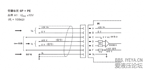
7芯及12芯伺服阀的接线图如下,但与PLC西门子模拟量模块6SE 7 332-5HF00-0AB0不知道如何连接
2014-01-02_143309.png
2014-01-02_143556.png
  • 打卡等级:伴坛终老
  • 打卡总天数:2522
  • 打卡总奖励:6354
发表于 2014-1-2 15:23:37 | 显示全部楼层
问搞电气的啊
回复

使用道具 举报

  • 打卡等级:常驻居民
  • 打卡总天数:312
  • 打卡总奖励:932
发表于 2014-1-2 18:26:58 | 显示全部楼层
PLC能输出电流4-20MA,0-10V电压。你这个用的是电压,接到D,E这两个接口上就好。阀用电是24V电源,你要独立外接,不能用PLC的电源。6线的就这样接了。12线有些是阀的反馈信号一时说不明白
回复

使用道具 举报

  • 打卡等级:无名新人
  • 打卡总天数:14
  • 打卡总奖励:14
 楼主| 发表于 2014-1-3 08:45:34 | 显示全部楼层
ccxxcc 发表于 2014-1-2 18:26
PLC能输出电流4-20MA,0-10V电压。你这个用的是电压,接到D,E这两个接口上就好。阀用电是2 ...

坛友:你帮我参考下,我的画法对吗?
2014-01-03_084550.png
回复

使用道具 举报

  • 打卡等级:无名新人
  • 打卡总天数:18
  • 打卡总奖励:51
发表于 2014-2-22 11:38:01 | 显示全部楼层
还是接上伺服阀阀芯位置反馈比较好,便于问题查找
回复

使用道具 举报

您需要登录后才可以回帖 登录 | 立即注册

本版积分规则