设为首页
收藏本站
所有帖子
关于我们
联系我们
微信群
开启辅助访问
搜索
搜索
本版
用户
门户
Portal
资讯
液压资讯
观点
观点
产品
液压产品
技术
液压技术
合集
导读
Guide
下载
签到
金币
论坛
BBS
登录
立即注册
腾讯QQ
账号
自动登录
找回密码
密码
登录
立即注册
只需一步,快速开始
好友
动态
收藏
分享
帖子
日志
记录
相册
留言板
勋章
任务
道具
设置
退出
液压圈
»
论坛
›
液压系统
›
故障诊断
›
多台并联泵,只启动1台,当系统动作多时为什么压力会降低 ...
负载敏感资料下载
|
液压培训资料下载
|
液压样本下载
|
AMESim资料下载
|
力士乐资料下载
|
挖掘机资料下载
|
标准资料下载
|
多路阀资料下载
1
2
/ 2 页
下一页
返回列表
查看:
8596
|
回复:
14
多台并联泵,只启动1台,当系统动作多时为什么压力会降低
[复制链接]
sunboy
sunboy
当前离线
积分
187
注册时间
2013-12-26
最后登录
1970-1-1
IP卡
狗仔卡
打卡等级:常驻居民
打卡总天数:338
打卡总奖励:1450
发表于 2014-1-3 22:22:03
|
显示全部楼层
|
阅读模式
多台并联
泵
的组成的泵源回路,,只启动1台,当系统动作多时为什么压力会降低,是不是流量小的原因?请高手具体分析一下,谢谢
液压系统
,
液压泵
相关帖子
.
求助元件选型
.
外啮合齿轮泵模型
.
哪个种类的液压泵(滑油泵)工作噪音最小?
.
意大利萨姆液压马达样本资料
.
液压伺服加载控制问题请教
.
液压系统计算、O型圈、材料兼容性、旋转密封等手机app
.
萌新求助(Amesim与simulink联合仿真)
.
Parker F11-F12液压泵中文版
.
这是个什么油缸,工作原理
回复
使用道具
举报
提升卡
置顶卡
变色卡
白水湾湾
白水湾湾
当前离线
积分
140
注册时间
2013-4-5
最后登录
1970-1-1
IP卡
狗仔卡
发表于 2014-1-3 22:47:24
|
显示全部楼层
流量不足引起的
回复
使用道具
举报
sunboy
sunboy
当前离线
积分
187
注册时间
2013-12-26
最后登录
1970-1-1
IP卡
狗仔卡
打卡等级:常驻居民
打卡总天数:338
打卡总奖励:1450
楼主
|
发表于 2014-1-3 22:58:42
|
显示全部楼层
能具体点吗?谢谢
回复
使用道具
举报
静静等待
静静等待
当前离线
积分
513
注册时间
2012-3-13
最后登录
1970-1-1
IP卡
狗仔卡
发表于 2014-1-4 07:53:32
|
显示全部楼层
很可能是流量不足的原因,楼主最好上个图看一下你具体是什么原理那样能解释的具体点
回复
使用道具
举报
yc87001
yc87001
当前离线
积分
406
注册时间
2011-12-21
最后登录
1970-1-1
IP卡
狗仔卡
打卡等级:无名新人
打卡总天数:9
打卡总奖励:62
发表于 2014-1-4 08:16:10
|
显示全部楼层
动作多时,可能负载都不一样,所以压力为最低负载的压力。
回复
使用道具
举报
qqqqqqwwww
qqqqqqwwww
当前离线
积分
1849
注册时间
2013-3-31
最后登录
1970-1-1
IP卡
狗仔卡
打卡等级:论坛老炮
打卡总天数:1197
打卡总奖励:1861
发表于 2014-1-4 08:47:05
来自手机
|
显示全部楼层
恒压泵么?当负载所需流量大于泵能提供的最大流量时,泵的压力流量曲线在水平线上运行,这时系统压力由最低负载决定。
回复
使用道具
举报
linwowotou
linwowotou
当前离线
积分
142
注册时间
2013-5-2
最后登录
1970-1-1
IP卡
狗仔卡
发表于 2014-1-4 09:23:30
|
显示全部楼层
看你的测压点是哪里,另外和泵控方式以及最大负载和最小负载有关
回复
使用道具
举报
sdr
sdr
当前离线
积分
506
注册时间
2012-5-9
最后登录
1970-1-1
IP卡
狗仔卡
打卡等级:以坛为家
打卡总天数:772
打卡总奖励:2750
发表于 2014-1-4 09:25:21
|
显示全部楼层
最好有系统图
回复
使用道具
举报
sunboy
sunboy
当前离线
积分
187
注册时间
2013-12-26
最后登录
1970-1-1
IP卡
狗仔卡
打卡等级:常驻居民
打卡总天数:338
打卡总奖励:1450
楼主
|
发表于 2014-1-4 16:30:58
|
显示全部楼层
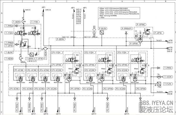
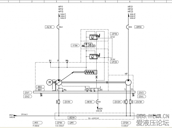
sdr 发表于 2014-1-4 09:25
最好有系统图
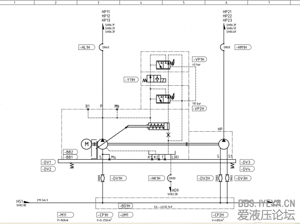
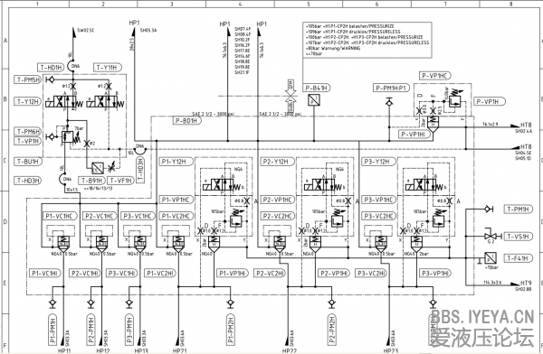
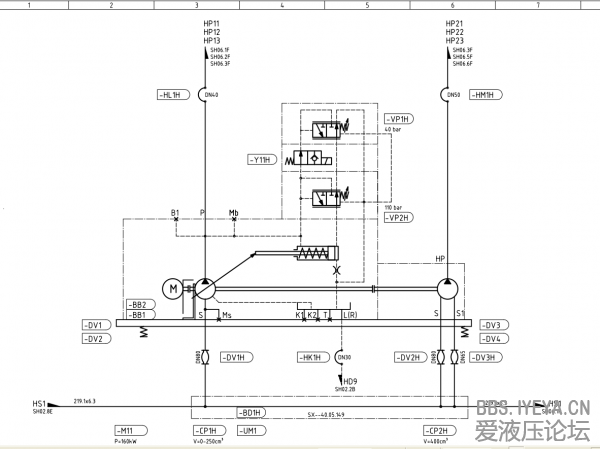
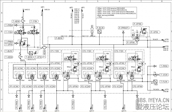
泵原图,可以看看
回复
使用道具
举报
qqqqqqwwww
qqqqqqwwww
当前离线
积分
1849
注册时间
2013-3-31
最后登录
1970-1-1
IP卡
狗仔卡
打卡等级:论坛老炮
打卡总天数:1197
打卡总奖励:1861
发表于 2014-1-5 08:42:31
|
显示全部楼层
多台泵启动时是不是压力不会降低,因为你使用的是恒压变量泵,当系统多负载共同动作时,所需流量较大,多台泵的流量满足负载的流量,所以恒压泵的压力不会降低。当只有一台工作时,泵流量满足不了负载的需求,所以压力会降低。
回复
使用道具
举报
下一页 »
1
2
/ 2 页
下一页
返回列表
高级模式
B
Color
Image
Link
Quote
Code
Smilies
您需要登录后才可以回帖
登录
|
立即注册
本版积分规则
发表回复
回帖后跳转到最后一页
浏览过的版块
供求信息
液压泵马达
AMESim
伺服控制
快速回复
返回顶部
返回列表