搜索
金币充值液压资料下载官方微信群
查看: 8537|回复: 17

手动换向阀故障,请高手指教,急

  [复制链接]
发表于 2014-1-17 13:49:17 | 显示全部楼层 |阅读模式
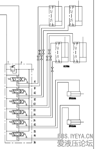
最上面两个油缸单独动作的话油缸不动,两个一起动才有动作。其他油缸都正常,这是怎么回事啊?请高手指教
QQ截图20140117135008.png
发表于 2014-1-18 09:36:47 | 显示全部楼层
你是不是把油管接错了,阀1A口接缸1A口,阀1B口接缸2B口,阀2A口接缸2A口,阀2B口接缸1B口。
回复

使用道具 举报

发表于 2014-1-18 16:20:12 | 显示全部楼层
楼上的说的还真有可能,越简单的错误越容易被忽略。
回复

使用道具 举报

发表于 2014-1-18 17:56:14 | 显示全部楼层
将两个单向阀相对而装怎么形成回路,求解?
回复

使用道具 举报

  • 打卡等级:偶尔看看
  • 打卡总天数:75
  • 打卡总奖励:167
发表于 2014-1-18 22:29:12 | 显示全部楼层
木木727 发表于 2014-1-18 17:56
将两个单向阀相对而装怎么形成回路,求解?

快速(换)接头吧?
回复

使用道具 举报

  • 打卡等级:论坛老炮
  • 打卡总天数:1309
  • 打卡总奖励:2064
发表于 2014-1-19 06:54:52 | 显示全部楼层
木木727 发表于 2014-1-18 17:56
将两个单向阀相对而装怎么形成回路,求解?

这是快速接头,连接后形成通路,拆开后两端断开,单向阀封闭。
回复

使用道具 举报

  • 打卡等级:偶尔看看
  • 打卡总天数:112
  • 打卡总奖励:184
发表于 2014-1-19 08:22:44 | 显示全部楼层
qqqqqqwwww 发表于 2014-1-19 06:54
这是快速接头,连接后形成通路,拆开后两端断开,单向阀封闭。

是正解!~
回复

使用道具 举报

发表于 2014-1-19 08:36:40 | 显示全部楼层
此原理不通!!双向闭锁,没有动作!!
回复

使用道具 举报

  • 打卡等级:论坛老炮
  • 打卡总天数:1309
  • 打卡总奖励:2064
发表于 2014-1-19 08:47:51 | 显示全部楼层
你把液压锁与油管之间的接头松开,然后使换向阀换向,看有没有油液流出。很可能是将两个油缸的油管接反了。
回复

使用道具 举报

 楼主| 发表于 2014-1-19 16:22:47 | 显示全部楼层
sixue98 发表于 2014-1-19 08:36
此原理不通!!双向闭锁,没有动作!!

那是快速接头啊亲
回复

使用道具 举报

您需要登录后才可以回帖 登录 | 立即注册

本版积分规则