搜索
汉力达液压金币充值官方微信群液压资料下载
查看: 10312|回复: 15

有关A6VM马达控制方式带T的问题咨询

[复制链接]
  • 打卡等级:无名新人
  • 打卡总天数:4
  • 打卡总奖励:16
发表于 2014-2-12 10:01:35 | 显示全部楼层 |阅读模式
各位大神,小弟请教下关于A6VM马达控制方式带T的,具体的工作原理是如何,或者给个原理图。谢谢!
  • 打卡等级:论坛老炮
  • 打卡总天数:1202
  • 打卡总奖励:3275
发表于 2014-2-12 10:46:56 来自手机 | 显示全部楼层
直接下载力士乐样本就全都有了。
回复

使用道具 举报

  • 打卡等级:无名新人
  • 打卡总天数:24
  • 打卡总奖励:174
发表于 2014-2-12 19:21:12 | 显示全部楼层
能把具体型号写一下吗?
回复

使用道具 举报

  • 打卡等级:初来乍到
  • 打卡总天数:37
  • 打卡总奖励:105
发表于 2014-2-12 20:25:58 | 显示全部楼层
见样本就可以了啊
回复

使用道具 举报

发表于 2014-2-12 22:28:35 | 显示全部楼层
本帖最后由 摆渡人 于 2014-2-12 22:32 编辑

上传一份中文A6VM样本

A6VM(CHS).part1.rar

1.9 MB, 下载次数: 22

售价: 5 金钱  [记录]

A6VM(CHS).part2.rar

1.9 MB, 下载次数: 9

售价: 5 金钱  [记录]

A6VM(CHS).part3.rar

1.8 MB, 下载次数: 10

售价: 5 金钱  [记录]

回复

使用道具 举报

发表于 2014-2-12 22:35:29 | 显示全部楼层
T:HA控制方式下的液压越权控制
回复

使用道具 举报

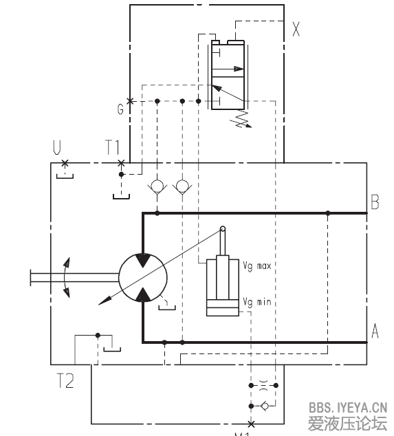
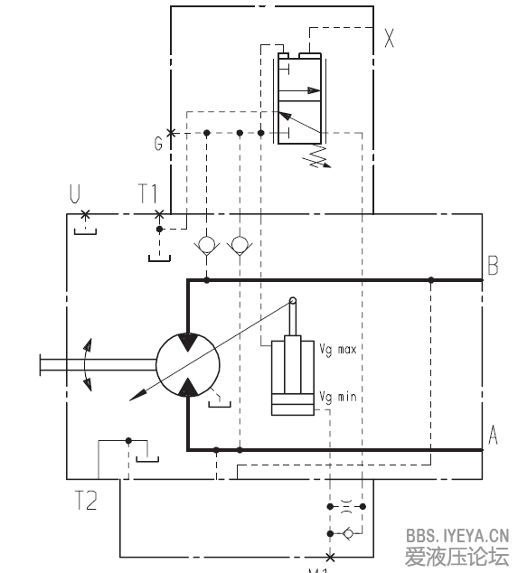
发表于 2014-2-12 22:46:02 | 显示全部楼层
液压原理图,在X口外接压力油,不得超过10MPa
T功能的实现需在X口直接一外控压力油.PNG
回复

使用道具 举报

  • 打卡等级:无名新人
  • 打卡总天数:4
  • 打卡总奖励:16
 楼主| 发表于 2014-2-15 09:18:28 | 显示全部楼层
摆渡人 发表于 2014-2-12 22:46
液压原理图,在X口外接压力油,不得超过10MPa

我想问下这个阀芯和阀套跟HA2控制方式的阀芯阀套一个样么。
回复

使用道具 举报

  • 打卡等级:无名新人
  • 打卡总天数:4
  • 打卡总奖励:16
 楼主| 发表于 2014-2-15 09:20:18 | 显示全部楼层
摆渡人 发表于 2014-2-12 22:35
T:HA控制方式下的液压越权控制

是啊。这刚刚接触的,理论知识缺少哈
回复

使用道具 举报

  • 打卡等级:无名新人
  • 打卡总天数:4
  • 打卡总奖励:16
 楼主| 发表于 2014-2-15 09:20:41 | 显示全部楼层
摆渡人 发表于 2014-2-12 22:28
上传一份中文A6VM样本

谢谢。。。。。
回复

使用道具 举报

您需要登录后才可以回帖 登录 | 立即注册

本版积分规则