搜索
汉力达液压金币充值官方微信群液压资料下载
查看: 4649|回复: 3

AMEsim与ADAMS仿真难题

[复制链接]
  • 打卡等级:无名新人
  • 打卡总天数:1
  • 打卡总奖励:1
发表于 2014-2-18 16:41:36 | 显示全部楼层 |阅读模式
本帖最后由 ray890 于 2014-2-18 17:26 编辑

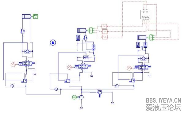
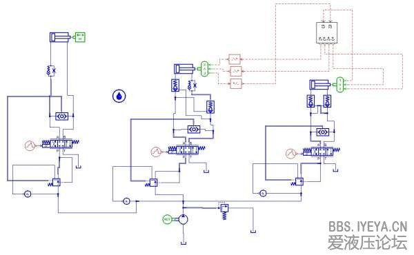
先上图:
ADAMS模型.jpg

AMEsim模型

AMEsim模型

各位大神,我做ADAMS与AMESim的联合仿真。
做单独一个油缸的仿真时没有任何问题;
但是做两个油缸的联合仿真时,
动作顺序:二臂的油缸先动作,动作完成后,转锤油缸动作。
但是在二臂油缸动作时,转锤油缸也开始动作,而且动作的幅度越来越大,最终程序报错!
查看AMEsim中的曲线,发现转锤的液压回路也没有流量。
请教各位了!谢谢!
文件太大了,在网盘中http://pan.baidu.com/s/1gdC99nH!谢谢了!
  • 打卡等级:无名新人
  • 打卡总天数:1
  • 打卡总奖励:1
 楼主| 发表于 2014-2-20 14:40:26 | 显示全部楼层
寻找高手!请教了!
回复

使用道具 举报

  • 打卡等级:无名新人
  • 打卡总天数:6
  • 打卡总奖励:34
发表于 2016-3-4 08:58:08 | 显示全部楼层
楼主,解决了吗?帮忙解答一下啊!谢谢
回复

使用道具 举报

发表于 2017-5-4 11:34:24 | 显示全部楼层
我遇到了同样的问题,在adams里杆件位置在某位方位时就出现了没有流量但是还动的怪相,不知道如何解决
回复

使用道具 举报

您需要登录后才可以回帖 登录 | 立即注册

本版积分规则