设为首页
收藏本站
所有帖子
关于我们
联系我们
微信群
开启辅助访问
搜索
搜索
本版
用户
门户
Portal
资讯
液压资讯
观点
观点
产品
液压产品
技术
液压技术
合集
导读
Guide
下载
签到
金币
论坛
BBS
登录
立即注册
腾讯QQ
账号
自动登录
找回密码
密码
登录
立即注册
只需一步,快速开始
好友
动态
收藏
分享
帖子
日志
记录
相册
留言板
勋章
任务
道具
设置
退出
液压圈
»
论坛
›
液压系统
›
液压技术
›
请教一下液压原理图上英文简称的意思
负载敏感资料下载
|
液压培训资料下载
|
液压样本下载
|
AMESim资料下载
|
力士乐资料下载
|
挖掘机资料下载
|
标准资料下载
|
多路阀资料下载
返回列表
查看:
8830
|
回复:
6
请教一下液压原理图上英文简称的意思
[复制链接]
knightermaomao
knightermaomao
当前离线
积分
9
注册时间
2014-2-18
最后登录
1970-1-1
IP卡
狗仔卡
发表于 2014-2-18 21:16:11
|
显示全部楼层
|
阅读模式
Main Pressure Regulator
Line VBS Normally High
Lube VBS Normally High
Lube Regulator
ENEN CLUTCH VFS
Lube MDA
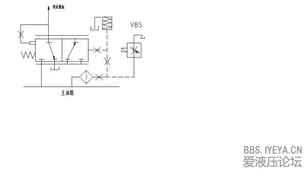
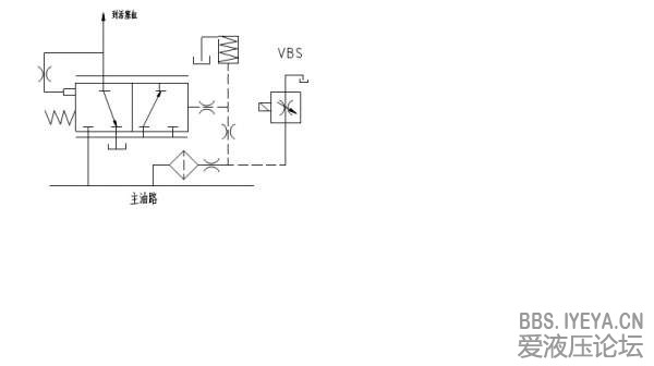
下面的图形是什么阀和结构,主要作用是什么?油路上的节流孔作用是什么?
液压阀
液压阀
电磁阀
,
液压原理图
点评
parker
弹簧那个符号就是直动式压力控制阀,可到“插装阀”论坛里找parker发表的变速箱换档控制方面的资料,您就有更深刻地认识!
发表于 2014-2-18 21:44
parker
减压溢流,阻尼组成桥式回路,阻尼大小间的匹配很重要,究根就是控制作用在减压溢流阀芯上的先到控制压力,看似离合器润滑回路
发表于 2014-2-18 21:41
相关帖子
.
请问有没有大佬指导小弟怎么在AMESIM做电磁阀仿真
.
液压数字阀
.
电磁阀颤振如何标定?
.
插式电磁方向阀CSV-02-01
.
意大利ATOS液压全系列产品!!有需要的咨询我!咱现货多。
.
求购二位四通球型换向阀
.
谁知道这是电磁阀上的什么配件
.
溢流阀、泄压阀、电磁阀、平衡阀。。。客官要哪个?
.
求购电磁阀插头
.
有没有好一点电磁阀插头
回复
使用道具
举报
提升卡
置顶卡
变色卡
xzzxsun
xzzxsun
当前离线
积分
241
注册时间
2010-4-30
最后登录
1970-1-1
IP卡
狗仔卡
打卡等级:论坛老炮
打卡总天数:1110
打卡总奖励:4404
发表于 2014-2-19 09:32:06
|
显示全部楼层
学习了。
回复
使用道具
举报
danxinbfli
danxinbfli
当前离线
积分
79
注册时间
2013-9-22
最后登录
1970-1-1
IP卡
狗仔卡
打卡等级:无名新人
打卡总天数:1
打卡总奖励:8
发表于 2014-2-19 14:28:05
|
显示全部楼层
我也是来学习的。
回复
使用道具
举报
sixue98
sixue98
当前离线
积分
502
注册时间
2013-12-20
最后登录
1970-1-1
IP卡
狗仔卡
发表于 2014-2-19 16:52:28
|
显示全部楼层
一般按使用取的。没有定势。
回复
使用道具
举报
zhtok
zhtok
当前离线
积分
251
注册时间
2012-11-19
最后登录
1970-1-1
IP卡
狗仔卡
打卡等级:即来则安
打卡总天数:281
打卡总奖励:1393
发表于 2014-2-20 10:28:44
|
显示全部楼层
Main Pressure Regulator
- 本文出自液压圈,原文地址:
https://www.iyeya.cn/thread-19372-1-1.html
主压力调整(节)器
回复
使用道具
举报
top2
top2
当前离线
积分
173
注册时间
2012-10-16
最后登录
1970-1-1
IP卡
狗仔卡
打卡等级:初来乍到
打卡总天数:46
打卡总奖励:250
发表于 2014-2-20 22:19:59
|
显示全部楼层
先学习了还不太熟练
回复
使用道具
举报
仟鍕
仟鍕
当前离线
积分
74
注册时间
2014-2-11
最后登录
1970-1-1
IP卡
狗仔卡
发表于 2014-2-23 20:08:54
|
显示全部楼层
只知道简单的,你这个没见过,长见识了
回复
使用道具
举报
返回列表
高级模式
B
Color
Image
Link
Quote
Code
Smilies
您需要登录后才可以回帖
登录
|
立即注册
本版积分规则
发表回复
回帖后跳转到最后一页
浏览过的版块
液压泵马达
工程机械
AMESim
快速回复
返回顶部
返回列表