搜索
汉力达液压金币充值官方微信群液压资料下载
查看: 7041|回复: 12

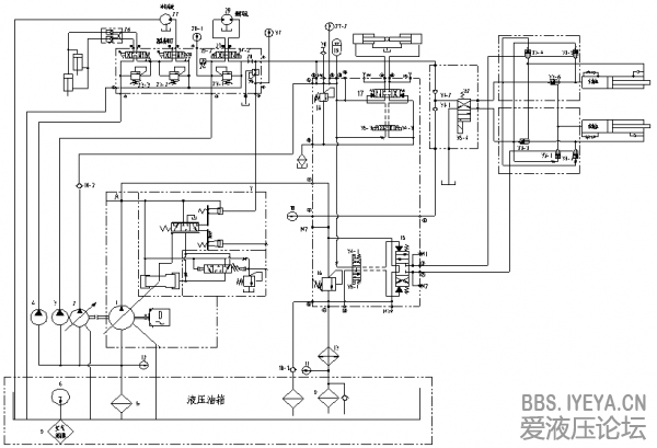
某厂混凝土设备原理图,分享一下

  [复制链接]
发表于 2014-2-19 18:30:16 | 显示全部楼层 |阅读模式
某厂混凝土送 设备,大家分析一下这个是怎么工作的???{:8_254:} 不难哈
无标题.png
发表于 2014-2-19 18:49:16 | 显示全部楼层
不会是泵车上的吧?
回复

使用道具 举报

  • 打卡等级:初来乍到
  • 打卡总天数:51
  • 打卡总奖励:394
发表于 2014-2-19 19:04:34 | 显示全部楼层
多谢分享,工程机械里还没有接触过泵送设备和布料设备
回复

使用道具 举报

  • 打卡等级:无名新人
  • 打卡总天数:20
  • 打卡总奖励:46
发表于 2014-2-19 19:45:17 | 显示全部楼层
这个图不复杂,分成4个系统来研究就简单了!
回复

使用道具 举报

  • 打卡等级:常驻居民
  • 打卡总天数:338
  • 打卡总奖励:1450
发表于 2014-2-19 21:36:01 | 显示全部楼层
研究学习一下。
回复

使用道具 举报

发表于 2014-2-20 07:44:02 | 显示全部楼层
混凝土泵车的液压系统。我们可以研究一下创新方案才好!!
回复

使用道具 举报

  • 打卡等级:偶尔看看
  • 打卡总天数:74
  • 打卡总奖励:152
发表于 2014-2-20 07:58:33 | 显示全部楼层
随然感觉系统不复杂  但是设计的理念并不好
回复

使用道具 举报

  • 打卡等级:初来乍到
  • 打卡总天数:58
  • 打卡总奖励:171
发表于 2014-2-20 08:01:22 | 显示全部楼层
泵比较重要,把泵搞明白了就基本清楚了
回复

使用道具 举报

 楼主| 发表于 2014-2-20 11:04:36 来自手机 | 显示全部楼层
吴福平 发表于 2014-02-20 07:58:33
随然感觉系统不复杂  但是设计的理念并不好

愿闻其详
回复

使用道具 举报

 楼主| 发表于 2014-2-20 11:08:16 来自手机 | 显示全部楼层
sixue98 发表于 2014-02-20 07:44:02
混凝土泵车的液压系统。我们可以研究一下创新方案才好!!

泵送系统有好几种,按照实际工况结合成本控制来优化选用哪种系统,从哪方面创新请指点一二:handshake:handshake谢谢
回复

使用道具 举报

您需要登录后才可以回帖 登录 | 立即注册

本版积分规则