搜索
金币充值液压资料下载官方微信群
查看: 4994|回复: 6

力士乐A4VSO...DP泵,派克、威格士等液压品牌的泵有替代品吗?

[复制链接]
  • 打卡等级:无名新人
  • 打卡总天数:16
  • 打卡总奖励:16
发表于 2014-3-5 21:48:54 | 显示全部楼层 |阅读模式
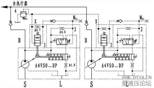
力士乐A4VSO...DP属于多泵并联同步变量泵,派克、威格士等液压品牌的泵有替代品吗?
A4VSO...DP.jpg
发表于 2014-3-5 22:44:17 | 显示全部楼层
力士乐A4VSO稳定性、寿命都已经非常好了,工业应用也较成熟,楼主还期望更好的?
回复

使用道具 举报

  • 打卡等级:无名新人
  • 打卡总天数:16
  • 打卡总奖励:16
 楼主| 发表于 2014-3-6 07:43:59 | 显示全部楼层
摆渡人 发表于 2014-3-5 22:44
力士乐A4VSO稳定性、寿命都已经非常好了,工业应用也较成熟,楼主还期望更好的?

由于对力士乐DP的泵并没有完全理解,如果派克、威格士有相关的泵,可借鉴下他们俩公司的解释!以便更好理解!
回复

使用道具 举报

发表于 2014-3-6 07:58:12 | 显示全部楼层
可以讨论如何原理创新的课题。简化泵的结构。
回复

使用道具 举报

  • 打卡等级:初来乍到
  • 打卡总天数:34
  • 打卡总奖励:65
发表于 2014-3-6 08:56:01 | 显示全部楼层
可以找代理咨询~~~~~~~~~~
回复

使用道具 举报

发表于 2014-3-6 09:14:51 | 显示全部楼层
parker的PV+plus泵在钢厂用得比较多,效果寿命很不错
回复

使用道具 举报

发表于 2014-4-24 10:57:15 | 显示全部楼层
宁波澎湃液压有限公司 提供原装德国力士乐,美国萨澳及威格士三个品牌的渠道优势 可以提供帮助
回复

使用道具 举报

您需要登录后才可以回帖 登录 | 立即注册

本版积分规则