搜索
汉力达液压金币充值官方微信群液压资料下载
查看: 6492|回复: 10

请大家指教。急!

[复制链接]
发表于 2014-3-6 10:49:54 | 显示全部楼层 |阅读模式
照片为力士乐
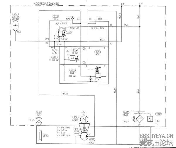
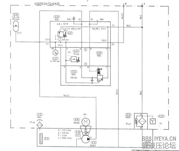
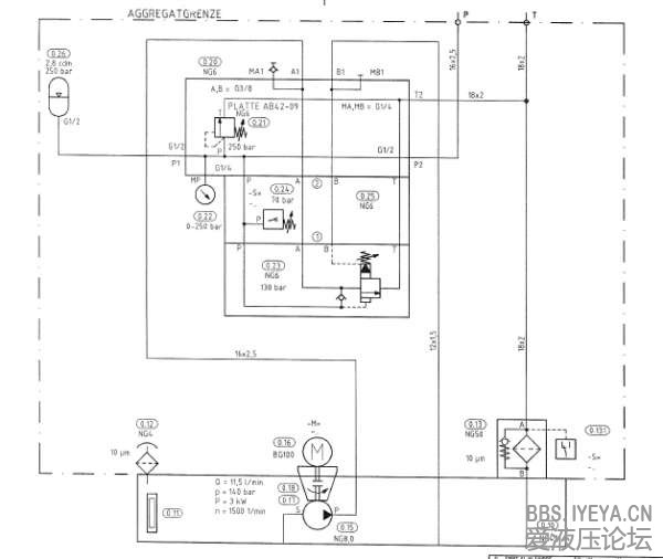
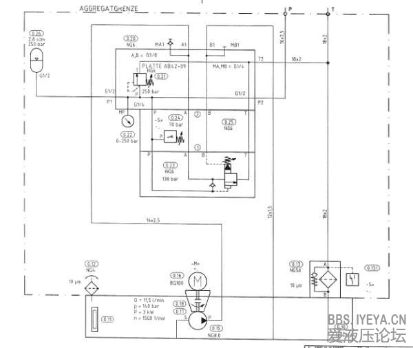
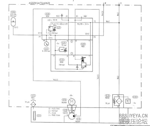
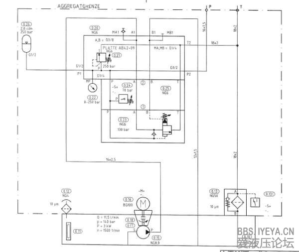
我想请教一下,照片的先导式压力截止阀在这个压力系统起什么作用?请专业人士讲解一下,压力系统原理。急!! IMG_20131017_072744.jpg
ZH_{F9KY%%WS]P_E[4LVN]C.jpg

先导式压力截止阀

先导式压力截止阀

液压系统

液压系统
  • 打卡等级:偶尔看看
  • 打卡总天数:66
  • 打卡总奖励:158
发表于 2014-3-6 10:58:51 | 显示全部楼层
相当于国产的卸荷溢流阀吧,达到设定压力油泵卸载。
回复

使用道具 举报

  • 打卡等级:无名新人
  • 打卡总天数:8
  • 打卡总奖励:62
发表于 2014-3-6 11:04:41 | 显示全部楼层
这个就是先导卸荷阀啊,工作过程中先向蓄能器充液,达到卸荷阀设定压力,卸荷阀开启,单向阀这个时候是关闭的。
回复

使用道具 举报

发表于 2014-3-6 11:05:00 | 显示全部楼层
当负载压力超过压力截止阀设定压力后,主油路通过压力截止阀与回油油箱接通,系统回油。
回复

使用道具 举报

 楼主| 发表于 2014-3-6 11:21:44 | 显示全部楼层
谢谢大家。谁再能给讲一下系统原理吧,非常感谢。
回复

使用道具 举报

发表于 2014-3-6 17:35:39 | 显示全部楼层
理一论就清。
回复

使用道具 举报

  • 打卡等级:论坛老炮
  • 打卡总天数:1170
  • 打卡总奖励:1820
发表于 2014-3-6 19:43:59 | 显示全部楼层
就是一个安全阀,并联在主油路里。
回复

使用道具 举报

 楼主| 发表于 2014-3-7 08:19:33 | 显示全部楼层
它是不是就是设定一个最大的压力值,油压超过这个设定值,就会泄压起保护作用的?
回复

使用道具 举报

  • 打卡等级:论坛老炮
  • 打卡总天数:1170
  • 打卡总奖励:1820
发表于 2014-3-7 10:56:38 来自手机 | 显示全部楼层
铂金男人 发表于 2014-3-7 08:19
它是不是就是设定一个最大的压力值,油压超过这个设定值,就会泄压起保护作用的?

是的
回复

使用道具 举报

发表于 2014-3-8 10:00:43 | 显示全部楼层
有个问题,希望大家不吝赐教.先导截止阀的调定压力和溢流阀的调定压力以及工作压力三者之间的大小关系是怎样的?我的想法是先导截止阀的压力等于工作压力,但比溢流阀的调定压力小。对不对?
回复

使用道具 举报

您需要登录后才可以回帖 登录 | 立即注册

本版积分规则