搜索
汉力达液压金币充值官方微信群液压资料下载
查看: 7236|回复: 8

力士乐插装比例减压阀工作原理

[复制链接]
  • 打卡等级:无名新人
  • 打卡总天数:22
  • 打卡总奖励:60
发表于 2014-4-4 20:48:16 | 显示全部楼层 |阅读模式
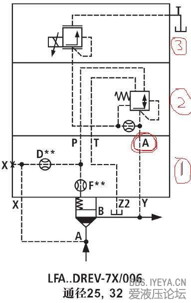
刚接触到插装阀,请教一下各位前辈力士乐插装比例减压阀工作原理。个人理解如果要想在B口压力达到设定值(比例溢流阀3的设定值)时起作用,那么2处的减压阀应该为先导式结构,3作为2的二级调压,这样当B口压力到达调定压力,也就是红褐色圈出的A点及先导式减压阀2的出口压力达到3的设定压力,先导式减压阀2近似关闭。这样X路不通,插装阀的A-B也就关闭。这样理解总感觉有些问题,请各位前辈指点。
111111.jpg
  • 打卡等级:常驻居民
  • 打卡总天数:301
  • 打卡总奖励:737
发表于 2014-4-5 08:16:26 | 显示全部楼层
2为定差减压阀,所以该阀可以正常工作.
B口的最高工作压力由比例溢流阀设定.

补充内容 (2014-4-6 19:24):
请各位忽略本人此处的回答, 阀2 并非是定差减压阀.
回复

使用道具 举报

  • 打卡等级:无名新人
  • 打卡总天数:22
  • 打卡总奖励:60
 楼主| 发表于 2014-4-5 08:37:35 | 显示全部楼层
2是定差减压阀?他是怎么起作用的?请在指点一下
回复

使用道具 举报

  • 打卡等级:以坛为家
  • 打卡总天数:868
  • 打卡总奖励:2948
发表于 2014-4-6 08:36:10 | 显示全部楼层
很有意思啊,
回复

使用道具 举报

  • 打卡等级:常驻居民
  • 打卡总天数:301
  • 打卡总奖励:737
发表于 2014-4-6 19:22:50 | 显示全部楼层
今夕何夕 发表于 2014-4-6 08:36
很有意思啊,

楼主,多谢你的提醒.
我看错了.
不是定差减压阀.
楼主图中组合的结果是一个比例减压阀.
阀2中的弹簧刚度很小,并不是用来设定减压的压力的.
回复

使用道具 举报

  • 打卡等级:常驻居民
  • 打卡总天数:382
  • 打卡总奖励:1989
发表于 2014-4-6 21:06:50 | 显示全部楼层
应该3是2的先导级吧。
回复

使用道具 举报

  • 打卡等级:无名新人
  • 打卡总天数:22
  • 打卡总奖励:60
 楼主| 发表于 2014-4-7 09:43:15 | 显示全部楼层
哪位前辈能再给讲解一下工作原理,主要是2的结构形式
回复

使用道具 举报

  • 打卡等级:以坛为家
  • 打卡总天数:696
  • 打卡总奖励:1111
发表于 2014-4-7 10:43:01 | 显示全部楼层
ltt2013 发表于 2014-4-6 21:06
应该3是2的先导级吧。

应该是用阀3作为阀2 的先导级来控制阀2的压力,从而控制B口压力。
回复

使用道具 举报

  • 打卡等级:常驻居民
  • 打卡总天数:382
  • 打卡总奖励:1989
发表于 2014-4-7 17:37:35 | 显示全部楼层
海中游 发表于 2014-4-7 10:43
应该是用阀3作为阀2 的先导级来控制阀2的压力,从而控制B口压力。

是,阀3应该是电液比例阀。
回复

使用道具 举报

您需要登录后才可以回帖 登录 | 立即注册

本版积分规则