设为首页
收藏本站
所有帖子
关于我们
联系我们
微信群
开启辅助访问
搜索
搜索
本版
用户
门户
Portal
资讯
液压资讯
观点
观点
产品
液压产品
技术
液压技术
合集
导读
Guide
下载
签到
金币
论坛
BBS
登录
立即注册
腾讯QQ
账号
自动登录
找回密码
密码
登录
立即注册
只需一步,快速开始
好友
动态
收藏
分享
帖子
日志
记录
相册
留言板
勋章
任务
道具
设置
退出
液压圈
»
论坛
›
液压系统
›
液压技术
›
如下两种方案有何区别?
负载敏感资料下载
|
液压培训资料下载
|
液压样本下载
|
AMESim资料下载
|
力士乐资料下载
|
挖掘机资料下载
|
标准资料下载
|
多路阀资料下载
返回列表
查看:
4255
|
回复:
5
如下两种方案有何区别?
[复制链接]
whx-002
whx-002
当前离线
积分
610
注册时间
2010-10-14
最后登录
1970-1-1
IP卡
狗仔卡
打卡等级:初来乍到
打卡总天数:30
打卡总奖励:196
发表于 2014-4-11 10:54:52
|
显示全部楼层
|
阅读模式
回复
使用道具
举报
提升卡
置顶卡
变色卡
zzfjct
zzfjct
当前离线
积分
1368
注册时间
2013-7-28
最后登录
1970-1-1
IP卡
狗仔卡
打卡等级:偶尔看看
打卡总天数:75
打卡总奖励:167
发表于 2014-4-11 11:39:08
|
显示全部楼层
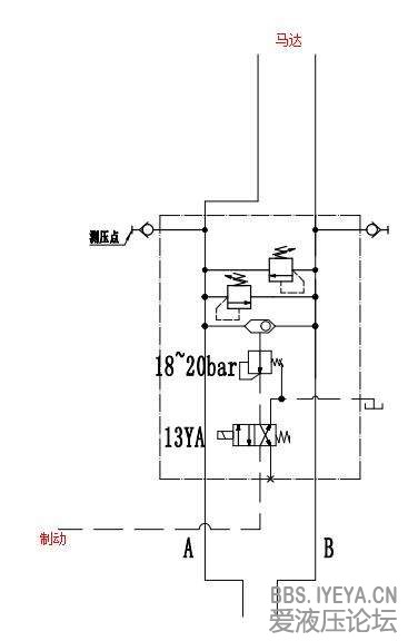
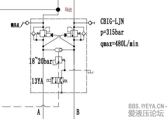
上图是双向限压(限制最大负载压力);下图是双向背压,负载压力到一定值时解除背压(提高效率)。
点评
wawaadd
下图是平衡阀,如何进行解除背压的操作?
发表于 2014-4-11 16:08
回复
使用道具
举报
123aaa
123aaa
当前离线
积分
83
注册时间
2012-7-11
最后登录
1970-1-1
IP卡
狗仔卡
发表于 2014-4-11 11:55:41
|
显示全部楼层
嗯同意楼上的解释哈
回复
使用道具
举报
静静等待
静静等待
当前离线
积分
513
注册时间
2012-3-13
最后登录
1970-1-1
IP卡
狗仔卡
发表于 2014-4-11 16:59:09
|
显示全部楼层
下图是平衡阀组的,这个适用于履带行走驱动或者卷扬机构,而上图比较适合用于回转机构但是建议那个溢流阀改成溢流补油阀就更好了
回复
使用道具
举报
Jacky-Lisa
Jacky-Lisa
当前离线
积分
382
注册时间
2011-3-27
最后登录
1970-1-1
IP卡
狗仔卡
打卡等级:常驻居民
打卡总天数:307
打卡总奖励:743
发表于 2014-4-11 17:59:12
|
显示全部楼层
上图是用于限压保护的溢流阀.
下图用的是平衡阀.效果当然不同.
卷扬机构等有重力负载的情况有平衡阀好些.
回复
使用道具
举报
zzfjct
zzfjct
当前离线
积分
1368
注册时间
2013-7-28
最后登录
1970-1-1
IP卡
狗仔卡
打卡等级:偶尔看看
打卡总天数:75
打卡总奖励:167
发表于 2014-4-11 19:29:24
|
显示全部楼层
下图在控制端低压力时为自控平衡阀功能,控制端达一定压力时为外控顺序阀(相当于泄荷阀)功能,可以解除自控平衡阀状态的背压。大多采用平衡阀的场合,当负载达到一定压力时,背压实际上已经不再需要。
回复
使用道具
举报
返回列表
高级模式
B
Color
Image
Link
Quote
Code
Smilies
您需要登录后才可以回帖
登录
|
立即注册
本版积分规则
发表回复
回帖后跳转到最后一页
快速回复
返回顶部
返回列表