- 积分
- 51
- 注册时间
- 2013-1-23
- 最后登录
- 1970-1-1
- 打卡等级:无名新人
- 打卡总天数:1
- 打卡总奖励:9
|

楼主 |
发表于 2014-4-25 16:51:14
|
显示全部楼层
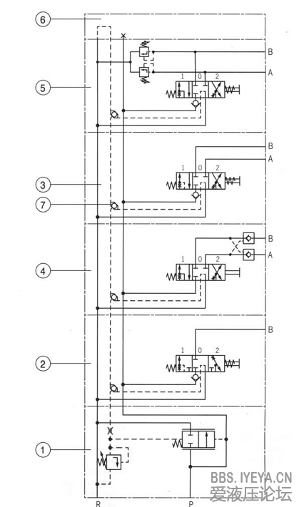
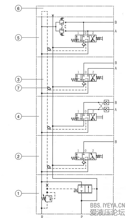
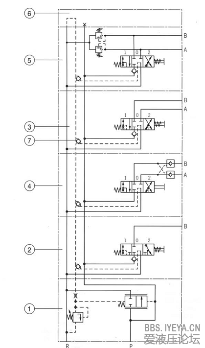
第一张图大致能看懂,经过梭阀把最大负载压力引到安全阀和分流阀,使进油与最大负载保持一定压差,拉动阀杆,改变节流面积调节流量,还是不能实现联动,必须等低压运动到位后高压才能运动,小通径的安全阀和分流阀结合当做大通径的安全阀用,
第二张图和第一张图基本是一样的,
第三张图就有点问题了,当负载不要油时油应该是从右边带单向阀的分流阀走掉的吧,这样当负载需要油时压力怎么建立起来 |
|