搜索
汉力达液压金币充值官方微信群液压资料下载
查看: 10664|回复: 10

[其他] 萨奥泵PV23泵补油泵的压力降低

[复制链接]
  • 打卡等级:论坛老炮
  • 打卡总天数:1311
  • 打卡总奖励:2519
发表于 2014-4-23 19:34:09 | 显示全部楼层 |阅读模式
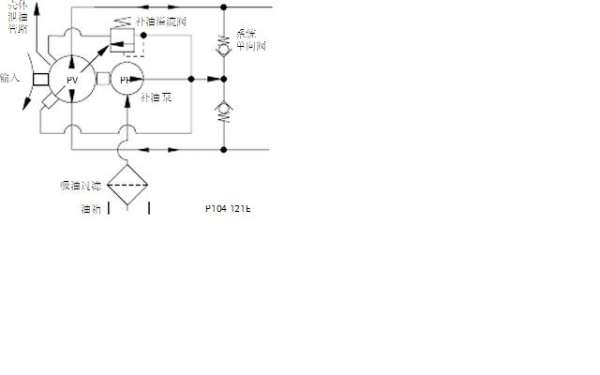
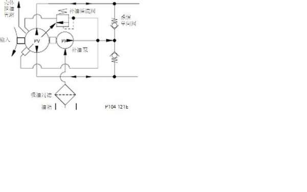
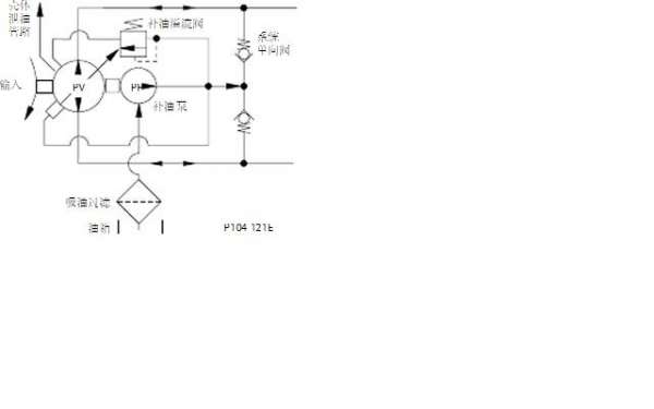
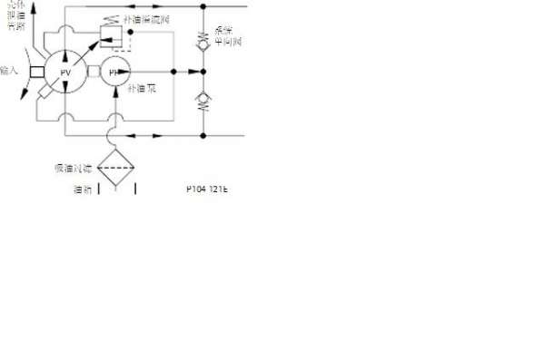
萨奥PV23泵在试验时加载主泵的压力,为什么会导致补油泵的压力降低呢
未命名.JPG
发表于 2014-4-23 19:54:02 | 显示全部楼层
假设主泵a口溢流的时候,这部分溢流的压力油是流入b口还是会到油箱呢?
若流入油箱,补油泵补入闭式系统的油不足以填补溢流损失的油量,这是补油压力就会下降
回复

使用道具 举报

发表于 2014-4-23 19:54:04 | 显示全部楼层
假设主泵a口溢流的时候,这部分溢流的压力油是流入b口还是会到油箱呢?
若流入油箱,补油泵补入闭式系统的油不足以填补溢流损失的油量,这是补油压力就会下降
回复

使用道具 举报

发表于 2014-4-24 09:59:03 | 显示全部楼层
计算下系统的泄漏量,是否泄露量太大呢?
回复

使用道具 举报

发表于 2014-4-24 10:00:20 | 显示全部楼层
而且下降多少?比如说你之前无负载是多少,加载后又是多少?会有一些稍微变化,不大应该就美问题
回复

使用道具 举报

  • 打卡等级:论坛老炮
  • 打卡总天数:1311
  • 打卡总奖励:2519
 楼主| 发表于 2014-4-24 19:27:45 | 显示全部楼层
zhangrongji85 发表于 2014-4-23 19:54
假设主泵a口溢流的时候,这部分溢流的压力油是流入b口还是会到油箱呢?
若流入油箱,补油泵补入闭式系统的 ...

这泵不带溢流阀,只有补油单向阀,应该没有溢流的可能,不知泄露大会不会导致压力降低呢
回复

使用道具 举报

  • 打卡等级:论坛老炮
  • 打卡总天数:1311
  • 打卡总奖励:2519
 楼主| 发表于 2014-4-24 19:32:01 | 显示全部楼层
翟磊 发表于 2014-4-24 10:00
而且下降多少?比如说你之前无负载是多少,加载后又是多少?会有一些稍微变化,不大应该就美问题

我就不知泄露到哪去了,泄露量流量计显示也没有增加,负载加至100bar时,流量70L降至60L,补油压力由20bar降至13bar.负载加至200bar时流量降至50L,补油压力由20bar降至6bar.
回复

使用道具 举报

发表于 2014-5-5 09:27:00 | 显示全部楼层
假设你空载是流量70L,负载加至200bar,流量只有50L,那此时泄漏量肯定大于20L
而补油量必须保证大于20L,才能保证正常补油压力。
楼主23的主泵,补油泵排量应该达不到20L,所以补油压力减小
回复

使用道具 举报

发表于 2014-5-24 15:12:48 | 显示全部楼层
dy1xue 发表于 2014-4-24 19:32
我就不知泄露到哪去了,泄露量流量计显示也没有增加,负载加至100bar时,流量70L降至60L,补油压力由20ba ...

你这个泵是什么控制方式? 应该是闭式泵的原理。后面接马达么?
回复

使用道具 举报

发表于 2014-5-24 15:14:16 | 显示全部楼层
dy1xue 发表于 2014-4-24 19:32
我就不知泄露到哪去了,泄露量流量计显示也没有增加,负载加至100bar时,流量70L降至60L,补油压力由20ba ...

另外不由压力6bar这个压力是很低的,这个时候说明补得油根本就达不到要求,补油压力一般在20bar左右是正常的。持续下降肯定有问题。
回复

使用道具 举报

您需要登录后才可以回帖 登录 | 立即注册

本版积分规则