搜索
汉力达液压金币充值官方微信群液压资料下载
查看: 8138|回复: 17

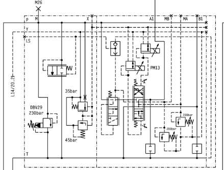
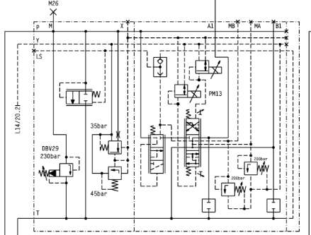
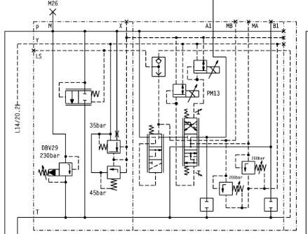
有没有人可以帮忙分析一下这张系统图谢谢

  [复制链接]
发表于 2014-4-30 15:41:38 | 显示全部楼层 |阅读模式
T0J6SWHED$TG}Z~%5O07FJA.jpg
 楼主| 发表于 2014-4-30 15:45:43 | 显示全部楼层
还有就是怎么看多路阀的进油联、换向联、出油联。谢谢大家了。
回复

使用道具 举报

发表于 2014-4-30 19:40:13 | 显示全部楼层
什么主机用的负荷传感阀?
回复

使用道具 举报

 楼主| 发表于 2014-4-30 20:51:44 | 显示全部楼层
摊铺机的夯实系统
回复

使用道具 举报

  • 打卡等级:无名新人
  • 打卡总天数:4
  • 打卡总奖励:8
发表于 2014-5-1 00:03:13 | 显示全部楼层
论坛讨论过好多次了,建议仔细翻翻老帖
回复

使用道具 举报

  • 打卡等级:常驻居民
  • 打卡总天数:301
  • 打卡总奖励:737
发表于 2014-5-1 09:42:37 | 显示全部楼层
电液比例控制,阀前补偿LS系统。
回复

使用道具 举报

发表于 2014-5-1 12:59:57 | 显示全部楼层
看着像M4
回复

使用道具 举报

  • 打卡等级:即来则安
  • 打卡总天数:248
  • 打卡总奖励:1114
发表于 2014-5-1 22:43:25 | 显示全部楼层
液压小胡 发表于 2014-4-30 15:45
还有就是怎么看多路阀的进油联、换向联、出油联。谢谢大家了。

让您看看M4的样本之后问,看来您没有仔细看完,就来帖了,呵呵
建议您再看一遍啊
回复

使用道具 举报

 楼主| 发表于 2014-5-2 09:43:58 | 显示全部楼层
交流学习 发表于 2014-5-1 22:43
让您看看M4的样本之后问,看来您没有仔细看完,就来帖了,呵呵
建议您再看一遍啊

大哥,我看了样本了,还是有点不清楚呵呵,请略指教一下。谢谢你了。
回复

使用道具 举报

 楼主| 发表于 2014-5-2 10:54:34 | 显示全部楼层
交流学习 发表于 2014-5-1 22:43
让您看看M4的样本之后问,看来您没有仔细看完,就来帖了,呵呵
建议您再看一遍啊

样本有点看不明白,你可以解释下吗?我看过样本了,关于进油联换向联,出油联。
回复

使用道具 举报

您需要登录后才可以回帖 登录 | 立即注册

本版积分规则