搜索
汉力达液压金币充值官方微信群液压资料下载
查看: 8687|回复: 11

请问原理图中红圈的是什么

  [复制链接]
  • 打卡等级:初来乍到
  • 打卡总天数:58
  • 打卡总奖励:229
发表于 2014-5-19 22:20:35 | 显示全部楼层 |阅读模式
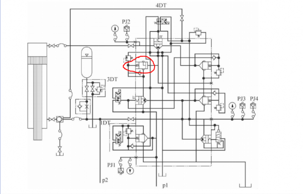
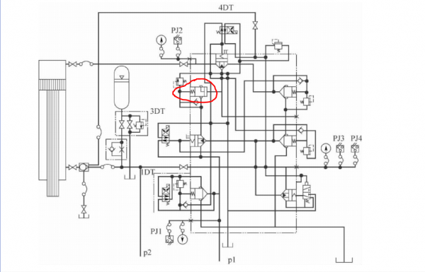
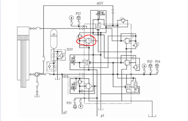
如图,红圈的是什么阀啊
红圈的是什么阀.PNG
  • 打卡等级:无名新人
  • 打卡总天数:17
  • 打卡总奖励:69
发表于 2014-5-20 08:25:16 | 显示全部楼层
单向阀
回复

使用道具 举报

  • 打卡等级:伴坛终老
  • 打卡总天数:2536
  • 打卡总奖励:6368
发表于 2014-5-20 08:33:15 | 显示全部楼层
这是冲床液压原理吗
回复

使用道具 举报

  • 打卡等级:无名新人
  • 打卡总天数:1
  • 打卡总奖励:6
发表于 2014-5-20 09:11:00 | 显示全部楼层
貌似液控单向阀   
回复

使用道具 举报

发表于 2014-5-20 10:38:02 | 显示全部楼层
  奇怪呵,红圈圈到的单向阀接的位置貌似是接到回油的,那红圈左上的减压阀进油又跟这个单向阀相接,那这个减压阀进油如果有压力的话就直接从单向阀向油箱泄掉了,那这减压阀又能起什么作用呢?
回复

使用道具 举报

  • 打卡等级:即来则安
  • 打卡总天数:250
  • 打卡总奖励:1426
发表于 2014-5-20 11:48:43 | 显示全部楼层
应该是个二通减压插件,和上面的溢流阀一起组成插装式的减压阀
回复

使用道具 举报

  • 打卡等级:无名新人
  • 打卡总天数:14
  • 打卡总奖励:14
发表于 2014-5-20 16:31:31 | 显示全部楼层
属于二通插装式压力阀,请查看力士乐样本
2014-05-20_163156.jpg
2014-05-20_163140.jpg
回复

使用道具 举报

  • 打卡等级:无名新人
  • 打卡总天数:1
  • 打卡总奖励:4
发表于 2014-5-20 20:52:09 | 显示全部楼层
scgbb 发表于 2014-5-20 16:31
属于二通插装式压力阀,请查看力士乐样本

请问一下,旁边那个单向阀有什么作用?
回复

使用道具 举报

  • 打卡等级:偶尔看看
  • 打卡总天数:66
  • 打卡总奖励:132
发表于 2014-5-20 21:29:28 | 显示全部楼层

这是减压型插件用于减压控制
回复

使用道具 举报

  • 打卡等级:初来乍到
  • 打卡总天数:40
  • 打卡总奖励:118
发表于 2014-5-20 22:11:24 | 显示全部楼层
二通减压插件,和上面的溢流阀一起组成插装式的减压阀
回复

使用道具 举报

您需要登录后才可以回帖 登录 | 立即注册

本版积分规则